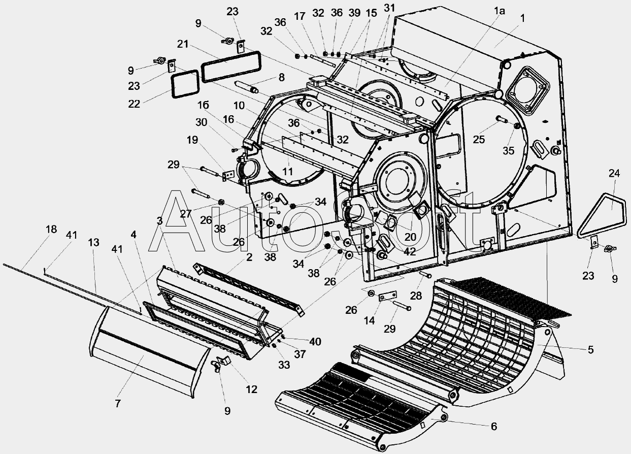
Каталог запасных частей к технике: Гомсельмаш КЗС-1218А-1 (2015). Аппарат молотильный КЗК-12А-1-0102000 (камнеуловитель, подбарабанья)
1
1а
1б
2
3
4
5
6
7
8
9
9
9
9
10
11
12
13
14
15
16
17
18
19
20
21
22
23
23
23
24
25
26
26
26
26
27
28
29
29
30
31
32
32
32
33
34
34
35
36
36
36
37
38
38
38
39
40
41
41
42
| Позиция на иллюстрации | Заводской номер детали | Название детали | |
|---|---|---|---|
| КЗК-12-0102670 | К***0 | Камнеуловитель | |
| КЗК-12А-1-0102000 | К***0 | Аппарат молотильный | |
| 1 | К***Б | Рама | |
| 10 | К***7 | Уплотнение | |
| 11 | К***8 | Планка | |
| 12 | К***3 | Прижим | |
| 13 | К***9 | Ось | |
| 14 | К***8 | Пластина | |
| 15 | К***2 | Отсекатель | |
| 16 | К***3 | Пластина | |
| 17 | К***1 | Планка | |
| 18 | К***6 | Ось | |
| 19 | К***5 | Кронштейн | |
| 1а | К***0 | Крышка | |
| 1б | К***0 | Щиток | |
| 2 | К***0 | Щит | |
| 20 | К***1 | Крышка | |
| 21 | К***5 | Крышка | |
| 22 | К***7 | Крышка | |
| 23 | К***4 | Прижим | |
| 24 | К***5 | Крышка | |
| 25 | К***5 | Болт | |
| 26 | К***1 | Шайба | |
| 27 | К***5 | Шайба | |
| 28 | Б***6 | Болт М10-6ех60-7796 | |
| 29 | Б***6 | Болт М10-6ех105-7796 | |
| 3 | К***0 | Основание | |
| 30 | Б***8 | Болт М6-6ех25-7798 | |
| 31 | Б***2 | Болт М6-6ех20-7802 | |
| 32 | Г***5 | Гайка М6-6G-5915 | |
| 33 | Г***5 | Гайка М8-6G-5915 | |
| 34 | Г***5 | Гайка М10-6G-5915 | |
| 35 | Г***5 | Гайка М12-6G-5915 | |
| 36 | Ш***2 | Шайба 6Т.65Г-6402 | |
| 37 | Ш***2 | Шайба 8Т.65Г-6402 | |
| 38 | Ш***2 | Шайба 10Т.65Г-6402 | |
| 39 | Ш***1 | Шайба С.6.01-11371 | |
| 4 | К***0 | Крышка | |
| 40 | Ш***1 | Шайба С.8.01-11371 | |
| 41 | Ш***7 | Шплинт 2х12-397 | |
| 42 | 2***3 | Масленка 2.2.45-19853 | |
| 5 | К***0 | Подбарабанье | |
| 6 | К***0 | Подбарабанье | |
| 7 | К***0 | Щиток | |
| 8 | К***0 | Ось | |
| 9 | К***0 | Гайка-барашек |
Содержащиеся в справочниках-каталогах запасные части и детали не предлагаются к продаже, а носят исключительно информационный характер. В демо-версии артикулы (номера деталей) скрыты. Если вы хотите видеть полные оригинальные номера запчастей, вам необходимо зарегистрироваться на нашем сайте и приобрести подписку по интересующей вас конфигурации, после этого вы сможете встроить онлайн-каталоги на ваш сайт или пользоваться ими из личного кабинета нашего сайта. Обращаем ваше внимание на то, что каталоги содержат информацию об оригинальных заводских номерах и названиях запчастей. База по аналогам в данный момент не реализована. Поиска по VIN-номерам в онлайн-каталоге не предусмотрено. Выбор конкретного каталога осуществляется путем открытия нужного типа техники, марки, модели с учетом года выпуска или модификации.