Каталог запасных частей к технике: Гомсельмаш КЗС-1218А-1 (2019). Вентилятор КЗК-10-0217000
31
21
21
22
22
22
23
24
24
25
25
25
26
27
27
27
27
27
27
27
27
27
27
28
28
29
29
29
29
29
29
29
29
29
29
30
30
30
30
30
20
32
33
34
35
35
35
35
35
35
35
36
36
36
36
37
38
39
40
10
1
2
3
4
5
6
6
7
7
8
9
11
11
12
13
14
15
16
17
18
19
19
19
19
19
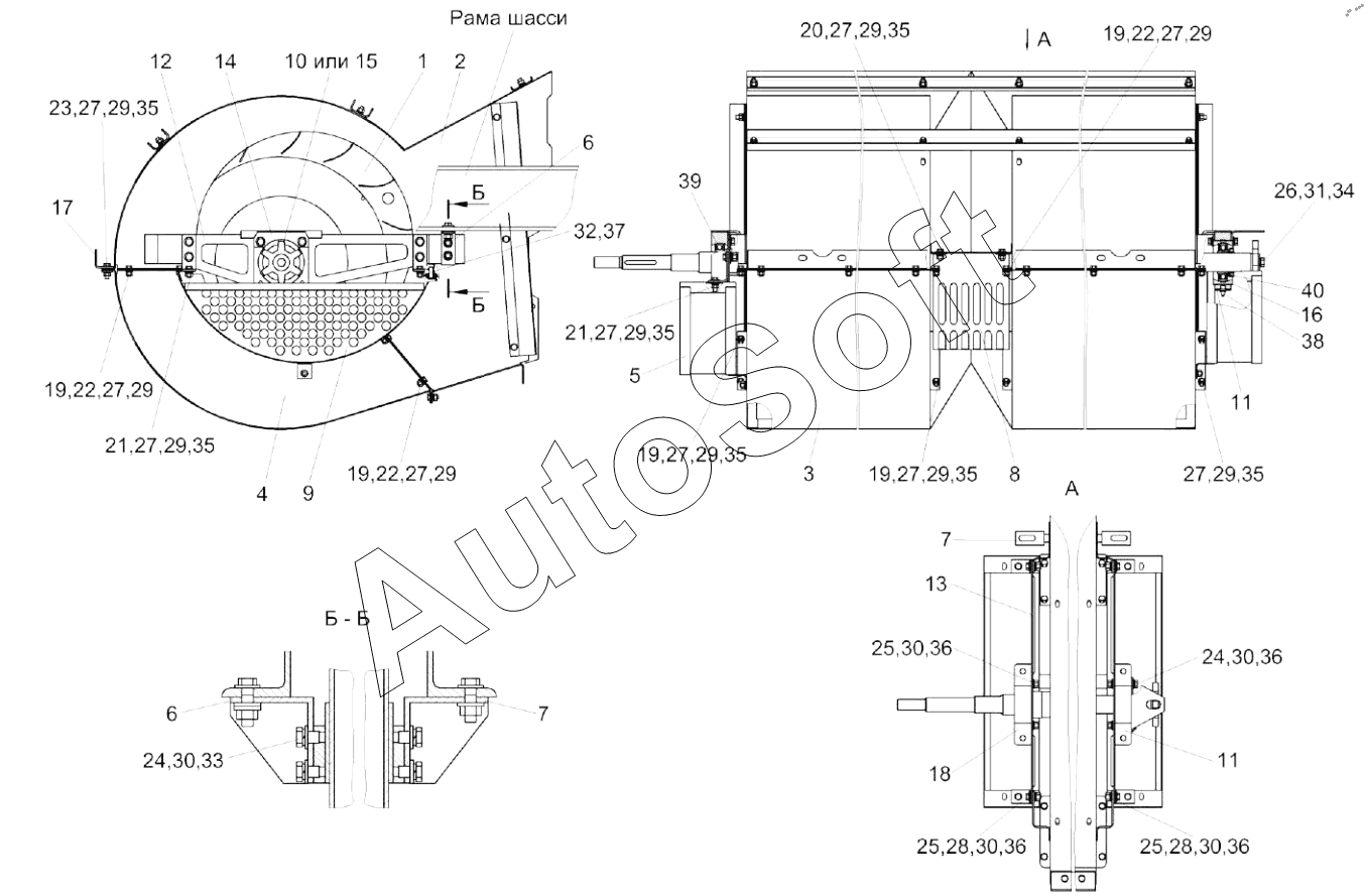
| Позиция на иллюстрации | Заводской номер детали | Название детали | |
|---|---|---|---|
| КЗК-10-0217000 | К***0 | Вентилятор | |
| 1 | К***А | Крылач | |
| 2 | К***0 | Кожух сдвоенный | |
| 3 | К***А | Поддон | |
| 4 | К***1 | Поддон | |
| 5 | К***А | Щиток | |
| 6 | К***0 | Кронштейн | |
| 7 | К***1 | Кронштейн | |
| 8 | К***Б | Щиток | |
| 9 | К***А | Щиток | |
| 10 | К***0 | Звездочка | |
| 11 | К***Б | Корпус | |
| 12 | К***6 | Кронштейн | |
| 13 | К***1 | Кронштейн | |
| 14 | К***А | Кронштейн | |
| 15 | К***4 | Звездочка | |
| 16 | К***А | Втулка | |
| 17 | К***6 | Уголок | |
| 18 | К***9 | Корпус | |
| 19 | У***5 | Шайба | |
| 20 | Б***6 | Болт М8-6ех16-7796 | |
| 21 | Б***6 | Болт М8-6ех20-7796 | |
| 22 | Б***6 | Болт М8-6ех25-7796 | |
| 23 | Б***6 | Болт М8-6ех30-7796 | |
| 24 | Б***6 | Болт М10-6ех16-7796 | |
| 25 | Б***6 | Болт М10-6ех25-7796 | |
| 26 | Б***6 | Болт М12-6ех35-7796 | |
| 27 | Г***5 | Гайка М8-6G-5915 | |
| 28 | Г***5 | Гайка М10-6G-5915 | |
| 29 | Ш***2 | Шайба 8Т 65Г-6402 | |
| 30 | Ш***2 | Шайба 10Т 65Г-6402 | |
| 31 | Ш***2 | Шайба 12Т 65Г-6402 | |
| 32 | Ш***8 | Шайба | |
| 33 | Ш***8 | Шайба | |
| 34 | Ш***8 | Шайба | |
| 35 | Ш***1 | Шайба С.8.01-11371 | |
| 36 | Ш***1 | Шайба С.10.01-11371 | |
| 37 | Ш***7 | Шплинт 2х20-397 | |
| 38 | М***3 | Масленка 1.2-19853 | |
| 39 | 6***7 | Подшипник | |
| 40 | 1***7 | Подшипник |
Содержащиеся в справочниках-каталогах запасные части и детали не предлагаются к продаже, а носят исключительно информационный характер. В демо-версии артикулы (номера деталей) скрыты. Если вы хотите видеть полные оригинальные номера запчастей, вам необходимо зарегистрироваться на нашем сайте и приобрести подписку по интересующей вас конфигурации, после этого вы сможете встроить онлайн-каталоги на ваш сайт или пользоваться ими из личного кабинета нашего сайта. Обращаем ваше внимание на то, что каталоги содержат информацию об оригинальных заводских номерах и названиях запчастей. База по аналогам в данный момент не реализована. Поиска по VIN-номерам в онлайн-каталоге не предусмотрено. Выбор конкретного каталога осуществляется путем открытия нужного типа техники, марки, модели с учетом года выпуска или модификации.