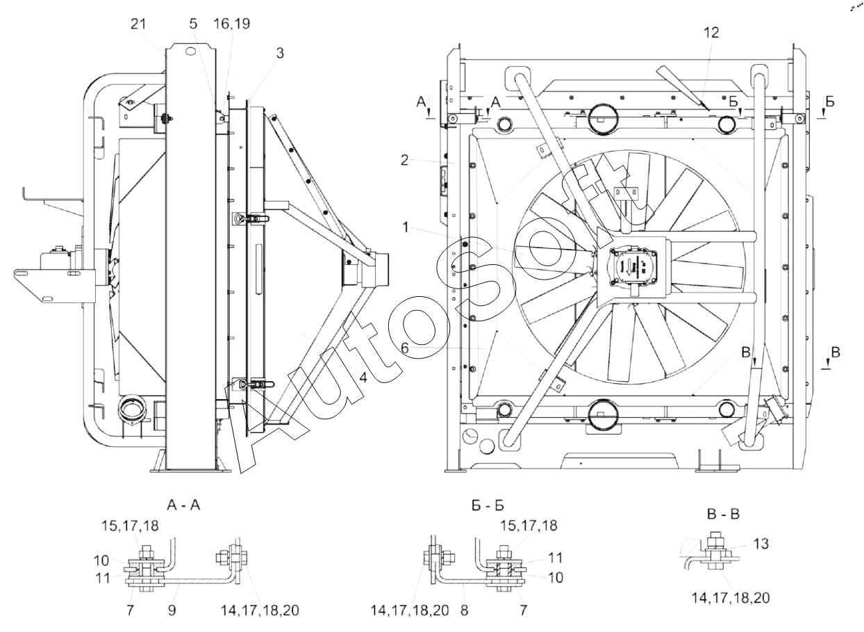
Каталог запасных частей к технике: Гомсельмаш КВК-800-8 ПАЛЕССЕ FS80-8 (2018). Установка блока радиаторов КВС-8-0152000
11
11
21
20
20
20
19
18
18
18
18
18
17
17
17
17
17
16
15
15
14
14
14
13
12
10
10
9
8
7
7
6
5
4
3
2
1
| Позиция на иллюстрации | Заводской номер детали | Название детали | |
|---|---|---|---|
| КВС-8-0152000 | К***0 | Установка блока Радиатор | |
| 1 | К***0 | Установка вентилятора | |
| 2 | К***0 | Рамка | |
| 3 | К***0 | Рамка | |
| 4 | К***0 | Воздухозаборник | |
| 5 | К***1 | Проушина | |
| 6 | К***2 | Диффузор | |
| 7 | A***1 | Шайба | |
| 8 | К***4 | Кронштейн | |
| 9 | К***1 | Кронштейн | |
| 10 | К***2 | Виброизолятор | |
| 11 | К***2 | Втулка | |
| 12 | К***3 | Втулка | |
| 13 | У***5 | Шайба | |
| 14 | Б***6 | Болт М8-6eх25-7796 | |
| 15 | Б***6 | Болт М8-6eх40-7796 | |
| 16 | Б***6 | Болт М10-6eх25-7796 | |
| 17 | Г***5 | Гайка М8-6G-5915 | |
| 18 | Ш***2 | Шайба 8Т.65Г-6402 | |
| 19 | Ш***2 | Шайба 10Т.65Г-6402 | |
| 20 | Ш***8 | Шайба C 8.01-6958 | |
| 21 | Б***0 | Радиатор |
Содержащиеся в справочниках-каталогах запасные части и детали не предлагаются к продаже, а носят исключительно информационный характер. В демо-версии артикулы (номера деталей) скрыты. Если вы хотите видеть полные оригинальные номера запчастей, вам необходимо зарегистрироваться на нашем сайте и приобрести подписку по интересующей вас конфигурации, после этого вы сможете встроить онлайн-каталоги на ваш сайт или пользоваться ими из личного кабинета нашего сайта. Обращаем ваше внимание на то, что каталоги содержат информацию об оригинальных заводских номерах и названиях запчастей. База по аналогам в данный момент не реализована. Поиска по VIN-номерам в онлайн-каталоге не предусмотрено. Выбор конкретного каталога осуществляется путем открытия нужного типа техники, марки, модели с учетом года выпуска или модификации.