Каталог запасных частей к технике: Коммаш КО-440. Коробка отбора мощности

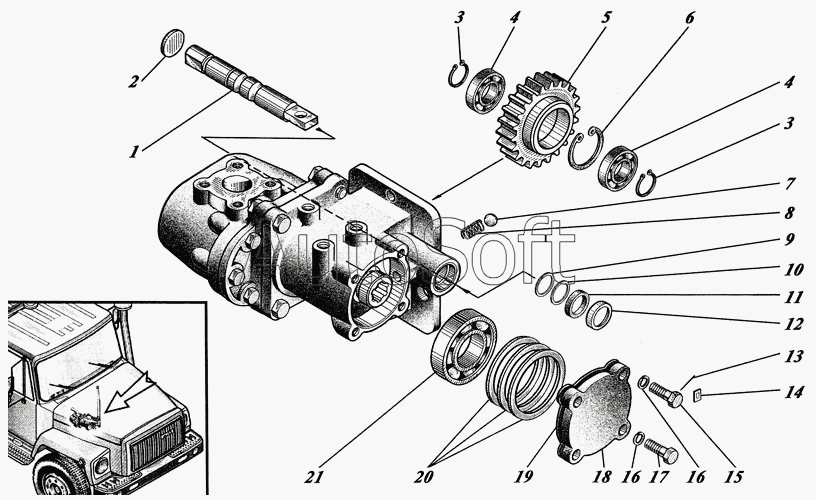
11
21
20
19
18
17
16
16
15
14
13
12
1
10
9
8
7
6
5
4
4
3
3
2
Позиция на иллюстрации | Заводской номер детали | Название детали | |
---|---|---|---|
1 | К***3 | Ось | |
2 | К***6 | Заглушка | |
3 | 2***1 | Кольцо | |
4 | 8***4 | Подшипник | |
5 | К***2 | Колесо | |
6 | 4***2 | Кольцо | |
7 | 3***0 | Шарик | |
8 | К***Б | Пружина | |
9 | К***1 | Кольцо резиновое уплотнительное | |
10 | К***9 | Шайба сальника | |
11 | К***8 | Набивка сальника | |
12 | К***7 | Каркас сальника | |
13 | П***» | Проволока «Силвайр» | |
14 | П***» | Проволока «Клипсил» | |
15 | 7***6 | Болт | |
16 | 6***9 | Шайба | |
17 | 7***6 | Болт | |
18 | К***5 | Крышка подшипника | |
19 | К***6 | Прокладка подшипника | |
20 | К***5 | Кольцо | |
21 | 8***7 | Подшипник |
Содержащиеся в справочниках-каталогах запасные части и детали не предлагаются к продаже, а носят исключительно информационный характер. В демо-версии артикулы (номера деталей) скрыты. Если вы хотите видеть полные оригинальные номера запчастей, вам необходимо зарегистрироваться на нашем сайте и приобрести подписку по интересующей вас конфигурации, после этого вы сможете встроить онлайн-каталоги на ваш сайт или пользоваться ими из личного кабинета нашего сайта. Обращаем ваше внимание на то, что каталоги содержат информацию об оригинальных заводских номерах и названиях запчастей. База по аналогам в данный момент не реализована. Поиска по VIN-номерам в онлайн-каталоге не предусмотрено. Выбор конкретного каталога осуществляется путем открытия нужного типа техники, марки, модели с учетом года выпуска или модификации.