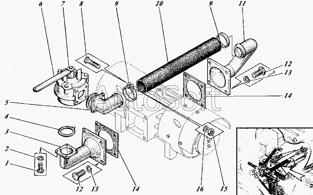
Каталог запасных частей к технике: Коммаш КО-520. Трубопровод КО-520.03.00.000

9
9
16
15
14
14
13
13
12
12
11
10
1
8
7
6
5
4
3
2
Позиция на иллюстрации | Заводской номер детали | Название детали | |
---|---|---|---|
GВS 71/25 | G***5 | Хомут | |
КО-520.03.00.001 | К***1 | Угольник | |
1 | 7***6 | Болт М10-6gх35.56.016 | |
2 | 6***2 | Шайба 10.65Г.019 | |
3 | К***0 | Патрубок всасывающий | |
4 | К***8 | Прокладка | |
5 | К***0 | Угольник | |
6 | К***0 | Рычаг | |
7 | А***0 | Кран четырехходовой | |
8 | 7***6 | Болт М10-6gх35.56.016 | |
9 | У***4 | Хомут | |
10 | 5***3 | Рукав L=530±10мм | |
11 | К***0 | Патрубок нагнетательный | |
12 | 7***6 | Болт М10-6gх35.56.016 | |
13 | 6***2 | Шайба 10.65Г.019 | |
14 | К***9 | Прокладка | |
15 | 5***5 | Гайка М24-6Н.5.016 | |
16 | 6***2 | Шайба 10.65Г.019 |
Содержащиеся в справочниках-каталогах запасные части и детали не предлагаются к продаже, а носят исключительно информационный характер. В демо-версии артикулы (номера деталей) скрыты. Если вы хотите видеть полные оригинальные номера запчастей, вам необходимо зарегистрироваться на нашем сайте и приобрести подписку по интересующей вас конфигурации, после этого вы сможете встроить онлайн-каталоги на ваш сайт или пользоваться ими из личного кабинета нашего сайта. Обращаем ваше внимание на то, что каталоги содержат информацию об оригинальных заводских номерах и названиях запчастей. База по аналогам в данный момент не реализована. Поиска по VIN-номерам в онлайн-каталоге не предусмотрено. Выбор конкретного каталога осуществляется путем открытия нужного типа техники, марки, модели с учетом года выпуска или модификации.