Каталог запасных частей к технике: Lonking (LongGong) CDM6016 (2019). ENGINE

26
18
19
20
20
21
22
23
24
25
25
17
27
28
29
30
31
32
33
1
16
16
16
15
14
13
12
11
11
10
9
8
7
6
5
5
5
5
4
4
3
3
3
3
3
3
3
2
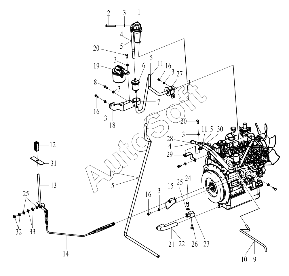
Позиция на иллюстрации | Заводской номер детали | Название детали | |
---|---|---|---|
1 | D***1 | Clamp | |
2 | 1***3 | WATER SEPARATOR | |
3 | G***3 | Bolt | |
4 | G***2 | Bolt | |
5 | G***1 | Washer | |
6 | G***1 | Washer | |
7 | G***1 | Nut | |
8 | J***5 | HOSE 8X15.5X290 | |
9 | L***1 | NTAKE HOSE | |
10 | D***1 | CLAMP A-50-70/9 | |
11 | S***8 | CLAMP SLTB-114~122/19 | |
12 | 1***2 | FUEL FIRST FILTER | |
13 | G***0 | AIR CLEANER | |
14 | D***1 | Clamp | |
15 | L***1 | AIR FILTER RIBBON | |
16 | G***3 | Bolt | |
17 | L***2 | MUFFLER BRACKET | |
18 | J***5 | HOSE 4.2X10.4X650 | |
19 | G***3 | Bolt | |
20 | D***1 | CLAMP A-50-70/9 | |
21 | G***1 | Washer | |
22 | J***5 | HOSE 8X15.5X800 | |
23 | X***0 | MUFFLER | |
24 | L***4 | RUBBER HANDLE | |
25 | L***3 | EXHAUST PIPE | |
26 | L***1 | THROTTLE LEVER | |
27 | 1***1 | ADJUST SHIM | |
28 | W***0 | THROTTLE SHAFT | |
29 | X***6 | AIR FILTER ALARM | |
30 | L***2 | THROTTLE SUPPORT | |
31 | L***3 | NTAKE HOSE | |
32 | G***3 | Bolt | |
33 | J***5 | HOSE 8X15.5X800 |
Содержащиеся в справочниках-каталогах запасные части и детали не предлагаются к продаже, а носят исключительно информационный характер. В демо-версии артикулы (номера деталей) скрыты. Если вы хотите видеть полные оригинальные номера запчастей, вам необходимо зарегистрироваться на нашем сайте и приобрести подписку по интересующей вас конфигурации, после этого вы сможете встроить онлайн-каталоги на ваш сайт или пользоваться ими из личного кабинета нашего сайта. Обращаем ваше внимание на то, что каталоги содержат информацию об оригинальных заводских номерах и названиях запчастей. База по аналогам в данный момент не реализована. Поиска по VIN-номерам в онлайн-каталоге не предусмотрено. Выбор конкретного каталога осуществляется путем открытия нужного типа техники, марки, модели с учетом года выпуска или модификации.