Каталог запасных частей к технике: Lonking (LongGong) CDM6016 (2019). PLATFORM ASSY

1
2
3
4
5
5
6
7
8
9
10
11
12
12
13
13
14
14
15
16
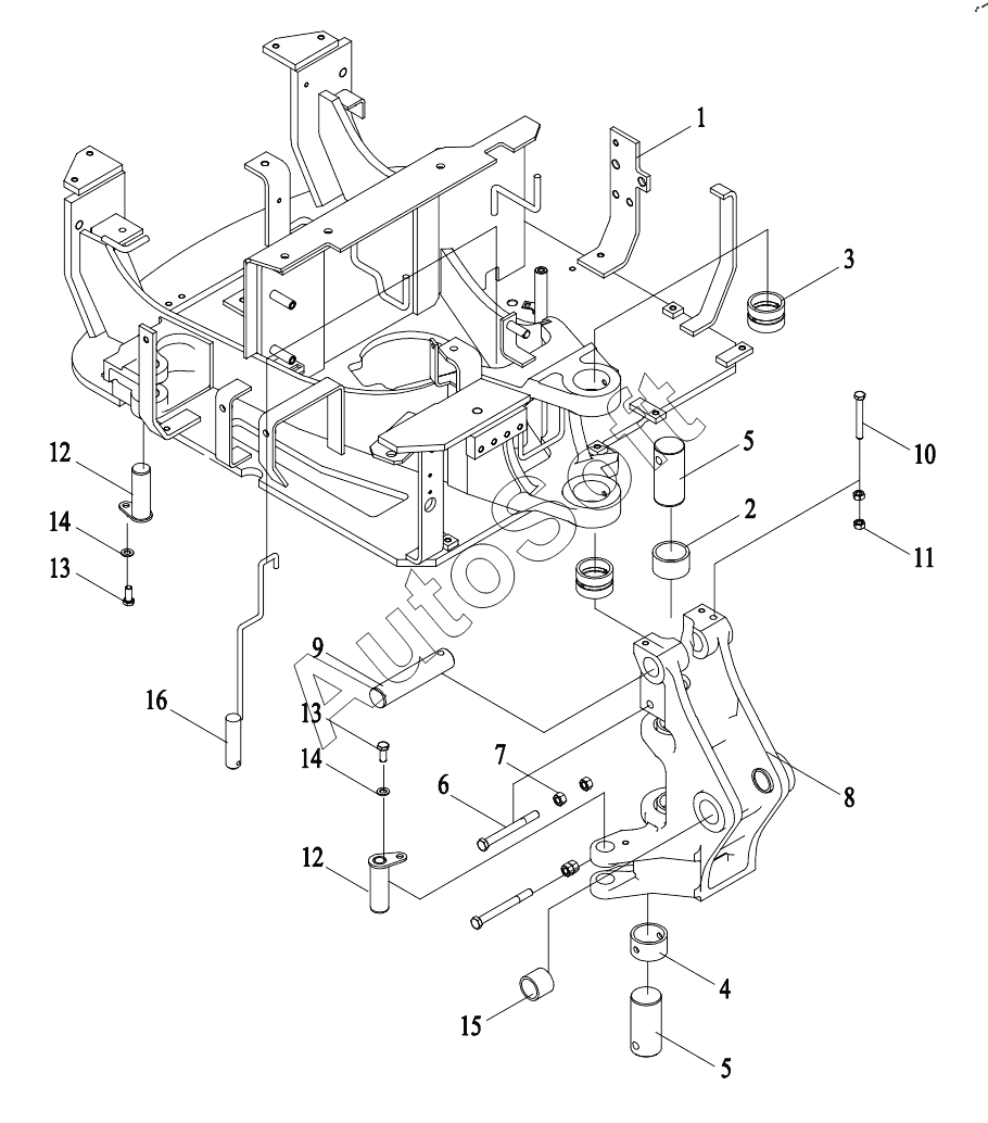
Позиция на иллюстрации | Заводской номер детали | Название детали | |
---|---|---|---|
1 | L***1 | PLATFORM | |
2 | L***1 | STEEL SLEEVE | |
3 | L***2 | STEEL SLEEVE | |
4 | L***3 | STEEL SLEEVE | |
5 | L***4 | PIN | |
6 | G***2 | Bolt | |
7 | G***0 | Nut | |
8 | L***5 | TURNING NODDLE | |
9 | L***6 | PIN | |
10 | G***2 | Bolt | |
11 | G***0 | Nut | |
12 | L***2 | PIN ASSY | |
13 | G***3 | Bolt | |
14 | G***1 | Washer | |
15 | L***7 | STEEL SLEEVE | |
16 | L***3 | ORIENTATION PIN |
Содержащиеся в справочниках-каталогах запасные части и детали не предлагаются к продаже, а носят исключительно информационный характер. В демо-версии артикулы (номера деталей) скрыты. Если вы хотите видеть полные оригинальные номера запчастей, вам необходимо зарегистрироваться на нашем сайте и приобрести подписку по интересующей вас конфигурации, после этого вы сможете встроить онлайн-каталоги на ваш сайт или пользоваться ими из личного кабинета нашего сайта. Обращаем ваше внимание на то, что каталоги содержат информацию об оригинальных заводских номерах и названиях запчастей. База по аналогам в данный момент не реализована. Поиска по VIN-номерам в онлайн-каталоге не предусмотрено. Выбор конкретного каталога осуществляется путем открытия нужного типа техники, марки, модели с учетом года выпуска или модификации.