Каталог запасных частей к технике: Lonking (LongGong) CDM818D (2021). Service brake system (LG816B.08)

27
19
20
20
21
21
22
23
23
24
25
26
26
18
28
29
30
31
32
33
34
35
10
2
3
4
5
6
7
8
9
1
11
12
13
14
15
16
17
17
17
17
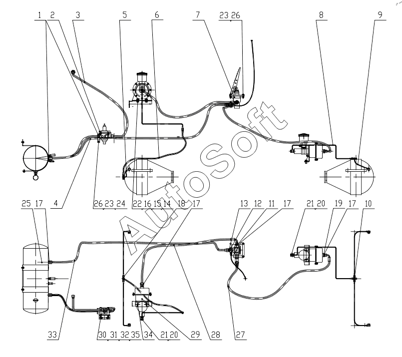
Позиция на иллюстрации | Заводской номер детали | Название детали | |
---|---|---|---|
1 | L***2 | Transit connector | |
2 | L***1 | RELIEF VALVE BRACKET | |
3 | 2***0 | WIRING HOSE | |
4 | L***2 | Wire wrapping hose | |
5 | L***1 | REAR AXLE BRAKE CALIPER OIL PIPE | |
6 | L***1 | Brake hose | |
7 | L***9 | Air brake master valve | |
8 | L***3 | Front booster pump oil outlet pipe | |
9 | L***2 | FRONT AXLE BRAKE CALIPER OIL PIPE | |
10 | L***2 | Front axle oil channel T-connector | |
11 | L***2 | Pressure connector | |
12 | L***7 | Pressure connector seat | |
13 | L***6 | Air inlet connector | |
14 | G***3 | Washer | |
15 | G***1 | Washer | |
16 | G***0 | Nut | |
17 | L***2 | Transit connector | |
18 | L***4 | Rear axle oil pipe T-connector | |
19 | J***6 | Washer | |
20 | J***6 | Washer | |
21 | L***4 | Connecting bolt | |
22 | G***3 | Bolt | |
23 | G***3 | Washer | |
24 | G***1 | Washer | |
25 | L***4 | AIR TANK ASSEMBLY | |
26 | G***3 | Bolt | |
27 | 2***0 | Hose assembly | |
28 | 2***0 | Hose assembly | |
29 | L***0 | Air booster pump | |
30 | L***8 | Relief valve | |
31 | G***2 | Bolt | |
32 | G***0 | Nut | |
33 | 2***0 | Service brake hose assembly | |
34 | L***1 | REAR BOOSTER PUMP BRACKET | |
35 | G***3 | Bolt |
Содержащиеся в справочниках-каталогах запасные части и детали не предлагаются к продаже, а носят исключительно информационный характер. В демо-версии артикулы (номера деталей) скрыты. Если вы хотите видеть полные оригинальные номера запчастей, вам необходимо зарегистрироваться на нашем сайте и приобрести подписку по интересующей вас конфигурации, после этого вы сможете встроить онлайн-каталоги на ваш сайт или пользоваться ими из личного кабинета нашего сайта. Обращаем ваше внимание на то, что каталоги содержат информацию об оригинальных заводских номерах и названиях запчастей. База по аналогам в данный момент не реализована. Поиска по VIN-номерам в онлайн-каталоге не предусмотрено. Выбор конкретного каталога осуществляется путем открытия нужного типа техники, марки, модели с учетом года выпуска или модификации.