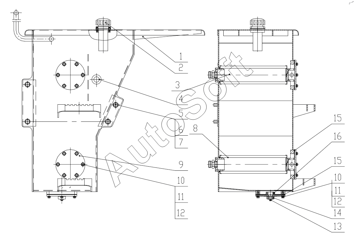
Каталог запасных частей к технике: Lonking (LongGong) CDM818D (2021). Hydraulic oil tank (LG816B.13.09)

1
2
3
4
5
6
7
8
9
10
10
11
11
12
12
13
14
15
15
16
Позиция на иллюстрации | Заводской номер детали | Название детали | |
---|---|---|---|
1 | L***1 | Hydraulic oil tank weldment | |
2 | L***2 | AIR CLEANER | |
3 | L***2 | OIL RETURN FILTER | |
4 | L***5 | Round dip stick | |
5 | G***3 | Bolt | |
6 | G***1 | Washer | |
7 | G***3 | Washer | |
8 | L***3 | OIL SUCTION FILTER | |
9 | L***4 | FLANGE COVER | |
10 | G***3 | Bolt | |
11 | G***1 | Washer | |
12 | G***3 | Washer | |
13 | L***1 | Plug | |
14 | L***3 | BLEEDING COVER | |
15 | L***1 | SPACER | |
16 | L***2 | MAGNET |
Содержащиеся в справочниках-каталогах запасные части и детали не предлагаются к продаже, а носят исключительно информационный характер. В демо-версии артикулы (номера деталей) скрыты. Если вы хотите видеть полные оригинальные номера запчастей, вам необходимо зарегистрироваться на нашем сайте и приобрести подписку по интересующей вас конфигурации, после этого вы сможете встроить онлайн-каталоги на ваш сайт или пользоваться ими из личного кабинета нашего сайта. Обращаем ваше внимание на то, что каталоги содержат информацию об оригинальных заводских номерах и названиях запчастей. База по аналогам в данный момент не реализована. Поиска по VIN-номерам в онлайн-каталоге не предусмотрено. Выбор конкретного каталога осуществляется путем открытия нужного типа техники, марки, модели с учетом года выпуска или модификации.