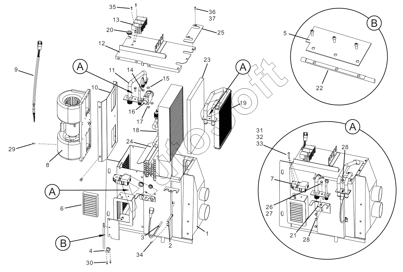
Каталог запасных частей к технике: Lonking (LongGong) CDM835EX.00I (2015). EVAPORATOR ASSEMBLY (60900003002)

29
20
21
22
23
24
25
26
27
28
28
19
30
31
32
33
34
35
36
37
10
2
3
4
5
6
7
8
9
1
11
12
13
14
15
16
17
18
Позиция на иллюстрации | Заводской номер детали | Название детали | |
---|---|---|---|
1 | 0***2 | Evaporation box | |
2 | 0***7 | Temperature control clip | |
3 | 6***5 | Temperature control probe | |
4 | 0***6 | Damper shaft seat | |
5 | 0***1 | Damper | |
6 | 0***7 | Filter paper | |
7 | 0***V | Actuator | |
8 | 0***L | Blower | |
9 | 6***7 | Blower wire harness | |
10 | 0***2 | Fan seat | |
11 | 0***4 | Connecting tube | |
12 | 0***2 | Cover plate | |
13 | 6***3 | Relay assembly | |
14 | 0***8 | O-ring seal | |
15 | 0***8 | O-ring seal | |
16 | 0***7 | Expansion valve | |
17 | 0***8 | O-ring seal | |
18 | 8***0 | Evaporator core | |
19 | 8***0 | Heater tank | |
20 | 0***2 | Sheath | |
21 | 0***1 | Connecting tube fixing plate | |
22 | 1***2 | Damper shaft | |
23 | 3***0 | Water strainer | |
24 | 0***0 | Water retaining plate | |
25 | 0***5 | Water tank sealing plate | |
26 | M***6 | Hexagon bolts | |
27 | M***6 | Plane pad | |
28 | M***e | Hexagon bolts | |
29 | M***e | Round cross bolt | |
30 | M***e | Round cross bolt | |
31 | M***5 | Round cross bolt | |
32 | M***4 | Plane pad | |
33 | M***4 | Plane pad | |
34 | M***2 | Self tapping screw | |
35 | M***2 | Inside hexagonal bolt | |
36 | M***2 | Self tapping screw | |
37 | M***4 | Plane pad |
Содержащиеся в справочниках-каталогах запасные части и детали не предлагаются к продаже, а носят исключительно информационный характер. В демо-версии артикулы (номера деталей) скрыты. Если вы хотите видеть полные оригинальные номера запчастей, вам необходимо зарегистрироваться на нашем сайте и приобрести подписку по интересующей вас конфигурации, после этого вы сможете встроить онлайн-каталоги на ваш сайт или пользоваться ими из личного кабинета нашего сайта. Обращаем ваше внимание на то, что каталоги содержат информацию об оригинальных заводских номерах и названиях запчастей. База по аналогам в данный момент не реализована. Поиска по VIN-номерам в онлайн-каталоге не предусмотрено. Выбор конкретного каталога осуществляется путем открытия нужного типа техники, марки, модели с учетом года выпуска или модификации.