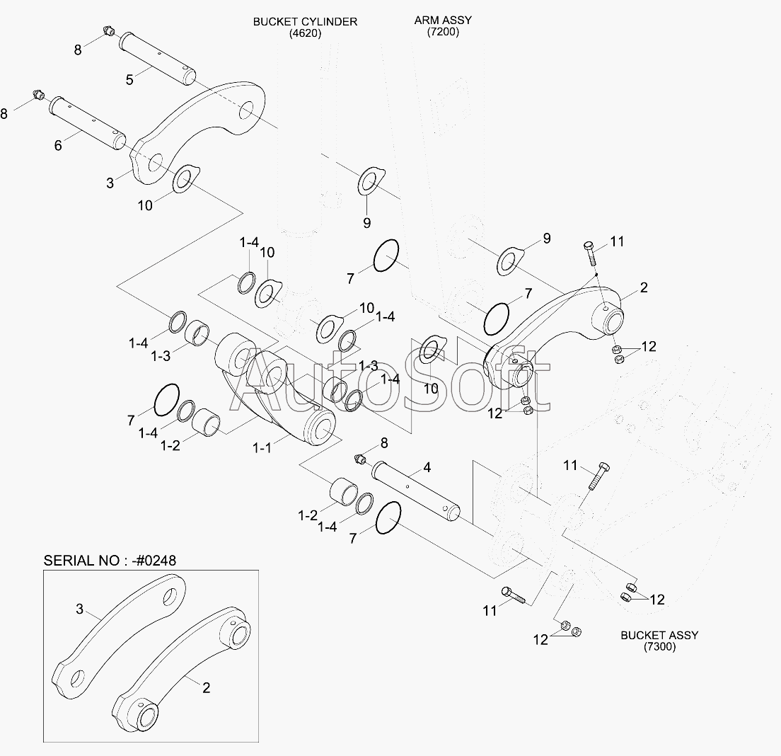
Каталог запасных частей к технике: Hyundai R16-9 (2013). BUCKET CONTROL GROUP
1
1-1
1-2
1-2
1-3
1-3
1-4
1-4
1-4
1-4
1-4
1-4
2
2
3
3
4
5
6
7
7
7
7
8
8
8
9
9
10
10
10
10
11
11
11
12
12
12
12
| Позиция на иллюстрации | Заводской номер детали | Название детали | |
|---|---|---|---|
| 1 | 6***2 | Control Rod Assy | |
| 1-1 | 6***2 | Control Rod Wa | |
| 1-2 | 6***0 | Bushing | |
| 1-3 | 6***0 | Bushing | |
| 1-4 | Y***1 | Seal-Dust, Dli, Kpu | |
| 10 | 6***0 | Shim | |
| 11 | S***6 | Bolt-Hex | |
| 12 | S***B | NUT-HEX | |
| 2 | 6***2 | Link-Lh | |
| 3 | 6***2 | Link-Rh | |
| 4 | 6***0 | Pin Assy | |
| 5 | 6***0 | Pin Assy | |
| 6 | 6***0 | Pin Assy | |
| 7 | 6***0 | O-Ring | |
| 8 | S***2 | NIPPLE-GREASE | |
| 9 | 6***0 | Shim |
Содержащиеся в справочниках-каталогах запасные части и детали не предлагаются к продаже, а носят исключительно информационный характер. В демо-версии артикулы (номера деталей) скрыты. Если вы хотите видеть полные оригинальные номера запчастей, вам необходимо зарегистрироваться на нашем сайте и приобрести подписку по интересующей вас конфигурации, после этого вы сможете встроить онлайн-каталоги на ваш сайт или пользоваться ими из личного кабинета нашего сайта. Обращаем ваше внимание на то, что каталоги содержат информацию об оригинальных заводских номерах и названиях запчастей. База по аналогам в данный момент не реализована. Поиска по VIN-номерам в онлайн-каталоге не предусмотрено. Выбор конкретного каталога осуществляется путем открытия нужного типа техники, марки, модели с учетом года выпуска или модификации.