Каталог запасных частей к технике: Hyundai R210W-9 (2013). COOLING SYSTEM
3
23
24
25
25
25
25
26
26
27
28
28
29
22
22
30
4
5
6
7
7
7
8
9
9
11
12
13
13
14
14
15
16
10
10
17
18
18
19
19
19
19
19
19
19
2
20
21
21
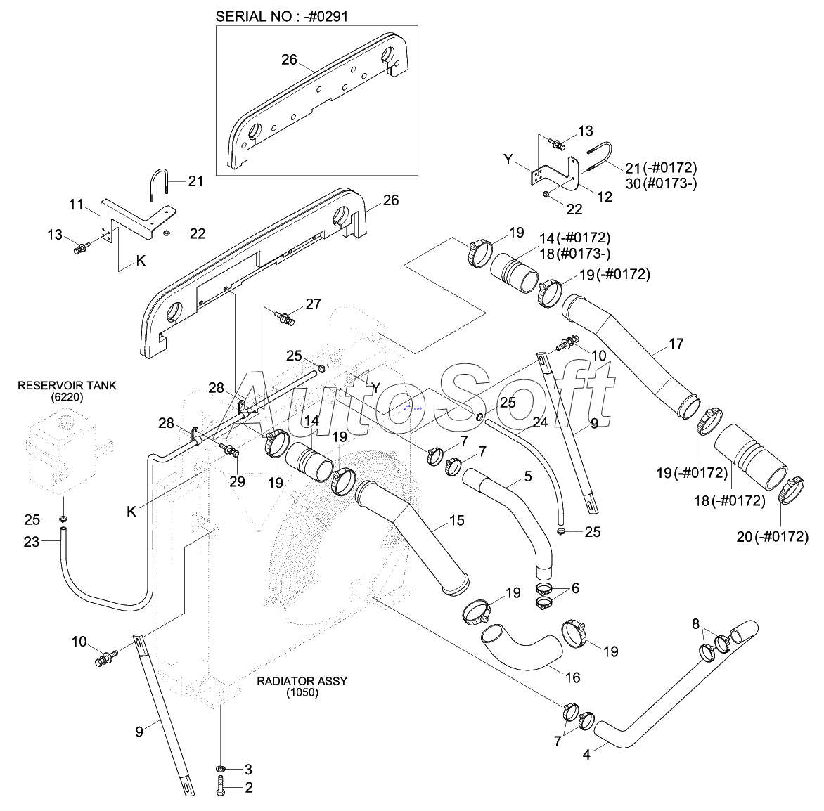
| Позиция на иллюстрации | Заводской номер детали | Название детали | |
|---|---|---|---|
| 2 | S***D | BOLT-HEX | |
| 3 | S***6 | WASHER-HARDENED | |
| 4 | 1***0 | Hose-Lower | |
| 5 | 1***0 | Hose-Upper | |
| 5 | 1***1 | Hose-Upper | |
| 6 | S***6 | Clamp-Hose,Wire Type | |
| 7 | S***6 | Clamp-Hose,Wire Type | |
| 8 | S***6 | Clamp-Hose,Wire Type | |
| 9 | 1***0 | STAY | |
| 10 | S***6 | BOLT-W/WASHER | |
| 11 | 1***1 | Bracket | |
| 12 | 1***0 | Bracket | |
| 12 | 1***0 | Bracket | |
| 13 | S***6 | BOLT-W/WASHER | |
| 14 | 1***0 | Hose-Cac | |
| 14 | 1***0 | Hose-Cac | |
| 15 | 1***0 | Pipe | |
| 16 | 1***0 | Hose-Cac | |
| 17 | 1***0 | Pipe | |
| 17 | 1***0 | Pipe-Cac | |
| 18 | 1***0 | Hose-Cac | |
| 19 | 1***0 | Clamp | |
| 19 | 1***0 | Clamp-T-Retention | |
| 20 | 1***0 | Clamp | |
| 21 | 1***0 | U-Bolt | |
| 21 | 1***0 | U-Bolt | |
| 22 | S***B | Nut-Self Locking | |
| 23 | E***4 | HOSE | |
| 24 | 1***1 | HOSE-AIR VENT | |
| 25 | S***0 | CLAMP-HOSE | |
| 26 | 1***1 | Screen | |
| 26 | 1***2 | SCREEN | |
| 26 | 1***3 | SCREEN | |
| 27 | S***6 | BOLT-W/WASHER | |
| 28 | 3***0 | CLAMP-TUBE INS | |
| 29 | S***6 | BOLT-W/WASHER | |
| 30 | 1***A | U-Bolt |
Содержащиеся в справочниках-каталогах запасные части и детали не предлагаются к продаже, а носят исключительно информационный характер. В демо-версии артикулы (номера деталей) скрыты. Если вы хотите видеть полные оригинальные номера запчастей, вам необходимо зарегистрироваться на нашем сайте и приобрести подписку по интересующей вас конфигурации, после этого вы сможете встроить онлайн-каталоги на ваш сайт или пользоваться ими из личного кабинета нашего сайта. Обращаем ваше внимание на то, что каталоги содержат информацию об оригинальных заводских номерах и названиях запчастей. База по аналогам в данный момент не реализована. Поиска по VIN-номерам в онлайн-каталоге не предусмотрено. Выбор конкретного каталога осуществляется путем открытия нужного типа техники, марки, модели с учетом года выпуска или модификации.