Каталог запасных частей к технике: Атек ЭОВ-4421 (1983). Пневмосистема 35.1600.000
28
20
20
21
21
22
23
24
24
25
26
27
27
19
29
30
31
32
33
34
35
10
2
3
3
4
4
5
6
6
6
7
7
7
8
8
8
9
1
1
1
11
12
13
14
16
17
18
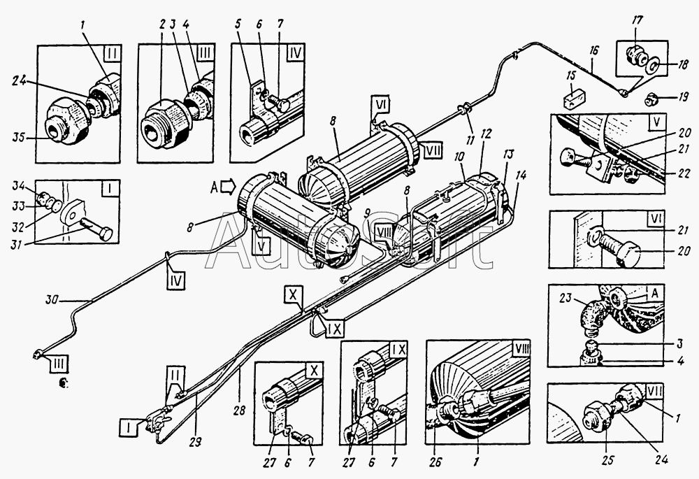
| Позиция на иллюстрации | Заводской номер детали | Название детали | |
|---|---|---|---|
| 1 | 3***4 | Гайка накидная 2Н-10 | |
| 2 | 3***3 | Штуцер переходной | |
| 3 | 3***8 | Муфта конусная 14 | |
| 4 | 3***5 | Гайка накидная 2Н-14 | |
| 5 | 3***9 | Хомут | |
| 6 | 8***0 | Шайба | |
| 7 | М***0 | Болт | |
| 8 | 2***5 | Ресивер | |
| 9 | 3***4 | Труба | |
| 10 | 3***1 | Труба | |
| 11 | 2***8 | Втулка предохранительная | |
| 12 | 1***1 | Скоба | |
| 13 | 1***0 | Скоба | |
| 14 | 3***3 | Труба | |
| 16 | 3***5 | Труба | |
| 17 | 3***9 | Штуцер ввертный | |
| 18 | 3***П | Шайба уплотнительная | |
| 19 | 3***2 | Пробка | |
| 20 | М***0 | Болт | |
| 21 | 1***0 | Шайба | |
| 22 | М***0 | Гайка | |
| 23 | 3***8 | Штуцер | |
| 24 | 3***6 | Муфта конусная 10 | |
| 25 | 3***9 | Штуцер ввертный | |
| 26 | 3***3 | Штуцер | |
| 27 | 0***6 | Хомут | |
| 28 | 3***8 | Труба | |
| 29 | 3***2 | Труба | |
| 30 | 3***7 | Труба | |
| 31 | М***5 | Болт | |
| 32 | 6***5 | Шайба | |
| 33 | 6***5 | Шайба | |
| 34 | М***5 | Гайка | |
| 35 | 3***1 | Штуцер проходной 10 |
Содержащиеся в справочниках-каталогах запасные части и детали не предлагаются к продаже, а носят исключительно информационный характер. В демо-версии артикулы (номера деталей) скрыты. Если вы хотите видеть полные оригинальные номера запчастей, вам необходимо зарегистрироваться на нашем сайте и приобрести подписку по интересующей вас конфигурации, после этого вы сможете встроить онлайн-каталоги на ваш сайт или пользоваться ими из личного кабинета нашего сайта. Обращаем ваше внимание на то, что каталоги содержат информацию об оригинальных заводских номерах и названиях запчастей. База по аналогам в данный момент не реализована. Поиска по VIN-номерам в онлайн-каталоге не предусмотрено. Выбор конкретного каталога осуществляется путем открытия нужного типа техники, марки, модели с учетом года выпуска или модификации.