Каталог запасных частей к технике: Атек ЭОВ-4421 (1983). Бак рабочей жидкости 35.3200.000
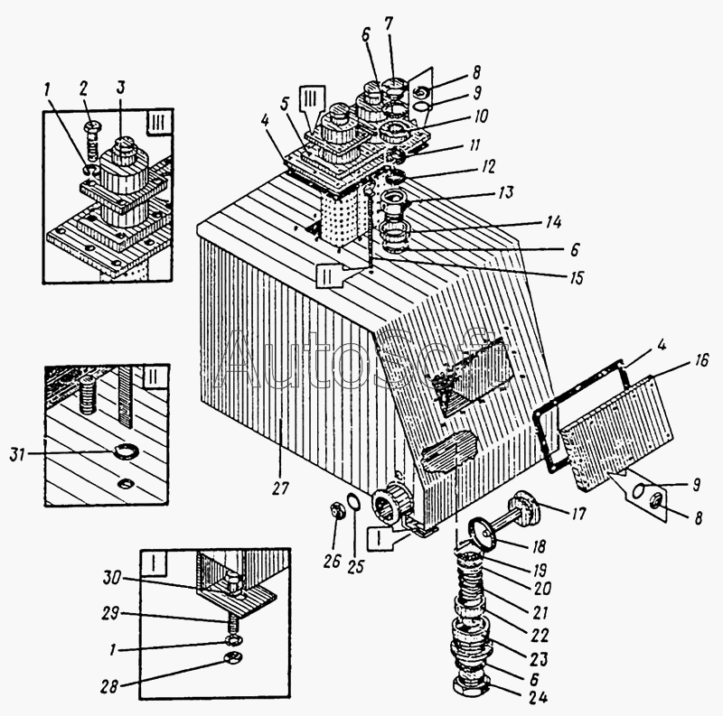
24
16
17
18
19
20
21
22
23
15
25
26
27
28
29
30
31
1
1
14
13
12
11
10
9
9
8
8
7
6
6
6
6
6
5
4
4
3
2
| Позиция на иллюстрации | Заводской номер детали | Название детали | |
|---|---|---|---|
| 1 | 1***0 | Шайба | |
| 2 | М***0 | Болт | |
| 3 | 0***1 | Фильтр гидравлический | |
| 4 | 0***6 | Прокладка | |
| 5 | 0***0 | Крышка | |
| 6 | 0***3 | Прокладка | |
| 6 | 0***3 | Прокладка | |
| 6 | 0***3 | Прокладка | |
| 7 | 0***4 | Пробка | |
| 8 | М***0 | Гайка | |
| 9 | 1***8 | Шайба | |
| 10 | 0***3 | Крышка | |
| 11 | 0***6 | Набивка | |
| 12 | 0***5 | Набивка | |
| 13 | 0***1 | Корпус | |
| 14 | 0***2 | Донышко | |
| 15 | 0***1 | Щуп | |
| 16 | 0***4 | Крышка | |
| 17 | 0***0 | Клапан | |
| 18 | 1***6 | Прокладка | |
| 19 | 0***5 | Прокладка | |
| 20 | 0***5 | Донышко | |
| 21 | 5***3 | Пружина золотника | |
| 22 | 0***2 | Клапан | |
| 23 | 0***1 | Корпус | |
| 24 | 0***4 | Пробка | |
| 25 | 0***3 | Кольцо | |
| 26 | 0***1 | Гайка | |
| 27 | 3***0 | Бак-металлоконструкция | |
| 28 | М***0 | Гайка | |
| 29 | М***0 | Болт | |
| 30 | 1***8 | Шайба | |
| 31 | 0***3 | Кольцо |
Содержащиеся в справочниках-каталогах запасные части и детали не предлагаются к продаже, а носят исключительно информационный характер. В демо-версии артикулы (номера деталей) скрыты. Если вы хотите видеть полные оригинальные номера запчастей, вам необходимо зарегистрироваться на нашем сайте и приобрести подписку по интересующей вас конфигурации, после этого вы сможете встроить онлайн-каталоги на ваш сайт или пользоваться ими из личного кабинета нашего сайта. Обращаем ваше внимание на то, что каталоги содержат информацию об оригинальных заводских номерах и названиях запчастей. База по аналогам в данный момент не реализована. Поиска по VIN-номерам в онлайн-каталоге не предусмотрено. Выбор конкретного каталога осуществляется путем открытия нужного типа техники, марки, модели с учетом года выпуска или модификации.