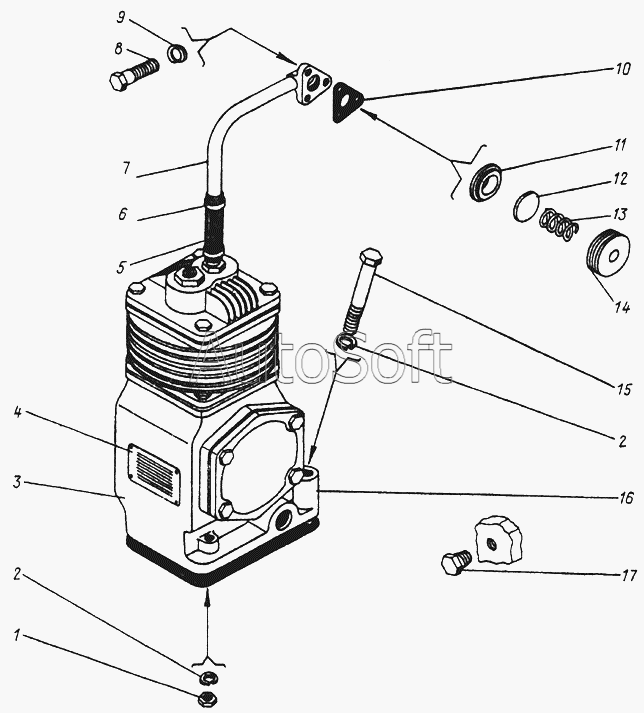
Каталог запасных частей к технике: ОЗП ТО-30 (2005). ТО-30.43.02.000. Установка компрессора
9
17
16
15
14
13
12
11
10
1
8
7
6
5
4
3
2
2
| Позиция на иллюстрации | Заводской номер детали | Название детали | |
|---|---|---|---|
| 1 | М***5 | Гайка | |
| 2 | 1***2 | Шайба | |
| 3 | 2***А | Прокладка | |
| 4 | 2***4 | Табличка | |
| 5 | 1***0 | Рукав-деталь | |
| 6 | Х***9 | Хомут стяжной Ш26 мм | |
| 7 | 2***0 | Труба воздухоподводящая | |
| 8 | М***6 | Болт | |
| 9 | 8***2 | Шайба | |
| 10 | 2***7 | Прокладка | |
| 11 | 6***2 | Седло клапана | |
| 12 | 6***3 | Тарелка клапана | |
| 13 | 6***4 | Пружина клапана | |
| 14 | 6***5 | Корпус клапана резьбовой | |
| 15 | М***5 | Болт | |
| 16 | 6***0 | Одноцилиндровый компрессор | |
| 17 | 2***2 | Пробка |
Содержащиеся в справочниках-каталогах запасные части и детали не предлагаются к продаже, а носят исключительно информационный характер. В демо-версии артикулы (номера деталей) скрыты. Если вы хотите видеть полные оригинальные номера запчастей, вам необходимо зарегистрироваться на нашем сайте и приобрести подписку по интересующей вас конфигурации, после этого вы сможете встроить онлайн-каталоги на ваш сайт или пользоваться ими из личного кабинета нашего сайта. Обращаем ваше внимание на то, что каталоги содержат информацию об оригинальных заводских номерах и названиях запчастей. База по аналогам в данный момент не реализована. Поиска по VIN-номерам в онлайн-каталоге не предусмотрено. Выбор конкретного каталога осуществляется путем открытия нужного типа техники, марки, модели с учетом года выпуска или модификации.