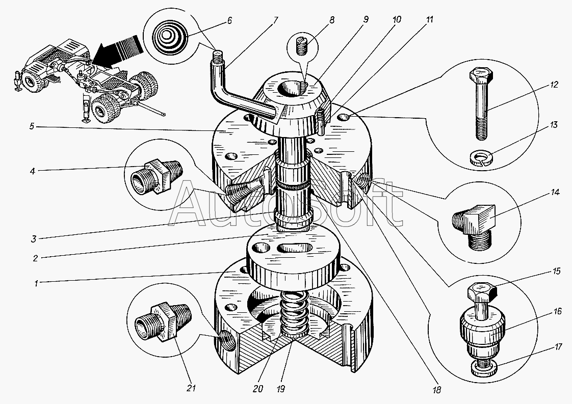
Каталог запасных частей к технике: ЮрМаш КС-4361А (1998). Коробка перемены передач 4361А.03. Коробка распределительная 4361А.04-800
12
4361А.04-800
21
20
19
18
17
16
15
14
13
1
11
10
9
8
7
6
5
4
3
2
| Позиция на иллюстрации | Заводской номер детали | Название детали | |
|---|---|---|---|
| 4361А.04-800 | 4***0 | Коробка распределительная | |
| 1 | 0***8 | Корпус | |
| 2 | 0***6 | Шайба | |
| 3 | 0***7 | Ось | |
| 4 | 2***5 | Штуцер | |
| 5 | 0***9 | Крышка | |
| 6 | 1***0 | Ручка | |
| 7 | 0***7 | Рычаг | |
| 8 | 0***2 | Винт ВМ8-6gх10 | |
| 9 | 0***0 | Рукоятка | |
| 10 | 0***6 | Пружина | |
| 11 | 0***4 | Фиксатор | |
| 12 | 0***8 | Болт М10х50 | |
| 13 | Н***Г | Шайба 10 | |
| 14 | 0***2 | Уголок | |
| 15 | 0***2 | Ось | |
| 16 | 0***1 | Ролик | |
| 17 | Н***Г | Шайба 16 | |
| 18 | 0***2 | Кольцо | |
| 19 | 0***7 | Прокладка | |
| 20 | 0***2 | Пружина | |
| 21 | 2***5 | Штуцер |
Содержащиеся в справочниках-каталогах запасные части и детали не предлагаются к продаже, а носят исключительно информационный характер. В демо-версии артикулы (номера деталей) скрыты. Если вы хотите видеть полные оригинальные номера запчастей, вам необходимо зарегистрироваться на нашем сайте и приобрести подписку по интересующей вас конфигурации, после этого вы сможете встроить онлайн-каталоги на ваш сайт или пользоваться ими из личного кабинета нашего сайта. Обращаем ваше внимание на то, что каталоги содержат информацию об оригинальных заводских номерах и названиях запчастей. База по аналогам в данный момент не реализована. Поиска по VIN-номерам в онлайн-каталоге не предусмотрено. Выбор конкретного каталога осуществляется путем открытия нужного типа техники, марки, модели с учетом года выпуска или модификации.