Каталог запасных частей к технике: КМЗ 1 Мая КДЭ-163 (2002). Траверса. (29-00050СБ)
27
19
20
21
22
23
24
24
25
25
26
18
28
29
29
30
31
32
32
33
34
35
10
10
10
10
2
3
4
5
6
7
8
8
9
9
9
9
1
11
11
12
12
13
14
15
16
17
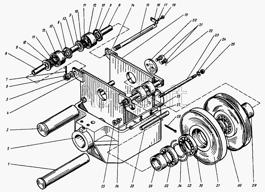
| Позиция на иллюстрации | Заводской номер детали | Название детали | |
|---|---|---|---|
| 1 | 2***4 | Валик | |
| 2 | 2***1 | Траверса | |
| 3 | 2***3 | Ось блоков | |
| 4 | 2***1 | Стойка | |
| 5 | 1***1 | Шайба 12 | |
| 6 | 5***8 | Гайка М12 | |
| 7 | 3***7 | Шплинт 3,2х32 | |
| 8 | 2***8 | Трубка распорная | |
| 9 | 2***1 | Крышка | |
| 10 | 1***3 | Кольцо Б62 | |
| 11 | 8***8 | Подшипник 317 | |
| 12 | 2***9 | Ролик | |
| 13 | 2***0 | Трубка распорная | |
| 14 | 2***А | Стойка | |
| 15 | 2***А | Ось | |
| 16 | 6***9 | Оседержатель | |
| 17 | 6***2 | Шайба 12.65Г | |
| 18 | 7***8 | Болт М12х25 | |
| 19 | 2***5 | Щека | |
| 20 | 2***3 | Планка стопорная Дв=65 | |
| 21 | 7***8 | Болт М12х25 | |
| 22 | 3***2 | Проволока 0,4 L=260 мм | |
| 23 | 1***9 | Шпилька AM16х200/44 | |
| 24 | 6***2 | Шайба 12.65Г | |
| 25 | 5***5 | Гайка М8 | |
| 26 | 6***2 | Шайба 12.65Г | |
| 27 | 7***8 | Болт М12х25 | |
| 28 | 3***7 | Шплинт 3,2х32 | |
| 29 | 2***2 | Втулка | |
| 30 | 4***2 | Кольцо распорное | |
| 31 | 2***9 | Блок | |
| 32 | 7***2 | Подшипник | |
| 33 | Н***8 | Кольцо пружинное | |
| 34 | Н***6 | Кольцо распорное | |
| 35 | 2***3 | Трубка распорная |
Содержащиеся в справочниках-каталогах запасные части и детали не предлагаются к продаже, а носят исключительно информационный характер. В демо-версии артикулы (номера деталей) скрыты. Если вы хотите видеть полные оригинальные номера запчастей, вам необходимо зарегистрироваться на нашем сайте и приобрести подписку по интересующей вас конфигурации, после этого вы сможете встроить онлайн-каталоги на ваш сайт или пользоваться ими из личного кабинета нашего сайта. Обращаем ваше внимание на то, что каталоги содержат информацию об оригинальных заводских номерах и названиях запчастей. База по аналогам в данный момент не реализована. Поиска по VIN-номерам в онлайн-каталоге не предусмотрено. Выбор конкретного каталога осуществляется путем открытия нужного типа техники, марки, модели с учетом года выпуска или модификации.