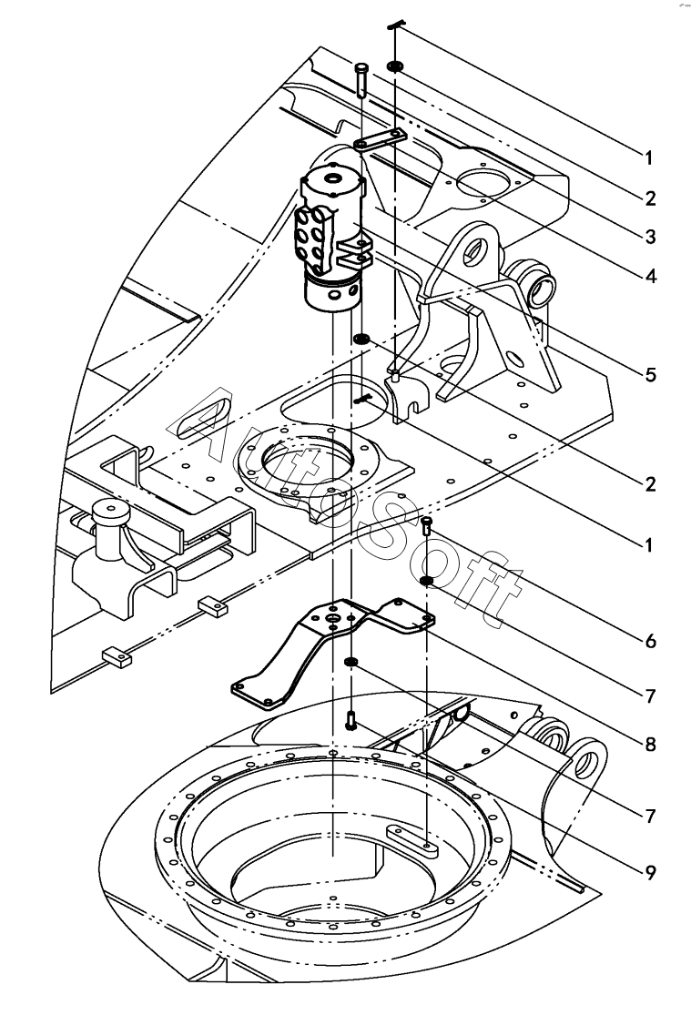
Каталог запасных частей к технике: Shantui SE75-9 (2018). SWIVEL JOINT MOUNTING (J170-22C-000000)

1
1
2
2
3
4
5
6
7
7
8
9
Позиция на иллюстрации | Заводской номер детали | Название детали | |
---|---|---|---|
1 | 0***4 | Spring pin | |
2 | 0***5 | Шайба | |
3 | J***0 | Pin | |
4 | J***0 | Plate | |
5 | J***0 | Swivel joint | |
6 | 0***5 | Болт | |
7 | 0***2 | Шайба | |
8 | J***0 | Plate | |
9 | 0***0 | Bolt |
Содержащиеся в справочниках-каталогах запасные части и детали не предлагаются к продаже, а носят исключительно информационный характер. В демо-версии артикулы (номера деталей) скрыты. Если вы хотите видеть полные оригинальные номера запчастей, вам необходимо зарегистрироваться на нашем сайте и приобрести подписку по интересующей вас конфигурации, после этого вы сможете встроить онлайн-каталоги на ваш сайт или пользоваться ими из личного кабинета нашего сайта. Обращаем ваше внимание на то, что каталоги содержат информацию об оригинальных заводских номерах и названиях запчастей. База по аналогам в данный момент не реализована. Поиска по VIN-номерам в онлайн-каталоге не предусмотрено. Выбор конкретного каталога осуществляется путем открытия нужного типа техники, марки, модели с учетом года выпуска или модификации.