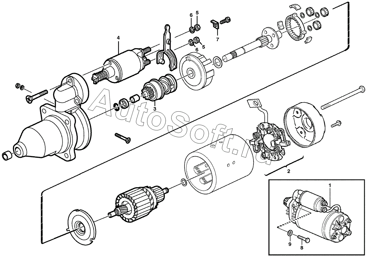
Каталог запасных частей к технике: Volvo BL71 Plus. 11888804 Starter motor with assembling details
1
2
3
4
5
5
6
6
7
8
9
| Позиция на иллюстрации | Заводской номер детали | Название детали | |
|---|---|---|---|
| 1 | V***8 | Starter Motor | |
| 2 | V***7 | Brush Retainer | |
| 3 | V***6 | Starter Pinion | |
| 4 | V***5 | Relay | |
| 5 | V***8 | Hexagon Nut | |
| 6 | V***9 | Lock Washer | |
| 7 | V***0 | Clamp | |
| 8 | V***7 | Hexagon screw | |
| 9 | V***1 | Washer |
Содержащиеся в справочниках-каталогах запасные части и детали не предлагаются к продаже, а носят исключительно информационный характер. В демо-версии артикулы (номера деталей) скрыты. Если вы хотите видеть полные оригинальные номера запчастей, вам необходимо зарегистрироваться на нашем сайте и приобрести подписку по интересующей вас конфигурации, после этого вы сможете встроить онлайн-каталоги на ваш сайт или пользоваться ими из личного кабинета нашего сайта. Обращаем ваше внимание на то, что каталоги содержат информацию об оригинальных заводских номерах и названиях запчастей. База по аналогам в данный момент не реализована. Поиска по VIN-номерам в онлайн-каталоге не предусмотрено. Выбор конкретного каталога осуществляется путем открытия нужного типа техники, марки, модели с учетом года выпуска или модификации.