Каталог запасных частей к технике: Volvo MC105C. Electrical system, cab MC60C-MC105C, MCT70C-MCT95C

20
28
27
26
25
24
23
22
22
21
1
19
18
14
12
10
9
8
4
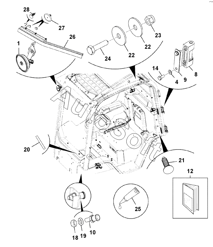
Позиция на иллюстрации | Заводской номер детали | Название детали | |
---|---|---|---|
1 | H***n | Horn | |
4 | V***7 | Washer | |
8 | V***2 | Hinge | |
9 | V***7 | Plate | |
10 | V***9 | Screw | |
12 | V***3 | Manual | |
14 | V***6 | Hexagon screw | |
18 | V***9 | Nut | |
19 | V***0 | Washer | |
20 | A***e | Adhesive tape | |
21 | V***4 | Plug | |
22 | V***5 | Washer | |
23 | V***5 | Lock nut | |
24 | V***1 | Set screw | |
25 | S***t | Sealant | |
26 | V***5 | Sealing plate | |
27 | F***r | Fastener | |
28 | F***r | Fastener |
Содержащиеся в справочниках-каталогах запасные части и детали не предлагаются к продаже, а носят исключительно информационный характер. В демо-версии артикулы (номера деталей) скрыты. Если вы хотите видеть полные оригинальные номера запчастей, вам необходимо зарегистрироваться на нашем сайте и приобрести подписку по интересующей вас конфигурации, после этого вы сможете встроить онлайн-каталоги на ваш сайт или пользоваться ими из личного кабинета нашего сайта. Обращаем ваше внимание на то, что каталоги содержат информацию об оригинальных заводских номерах и названиях запчастей. База по аналогам в данный момент не реализована. Поиска по VIN-номерам в онлайн-каталоге не предусмотрено. Выбор конкретного каталога осуществляется путем открытия нужного типа техники, марки, модели с учетом года выпуска или модификации.