Каталог запасных частей к технике: Volvo MC105C. Track rollers MCT70C-MCT95C

2
3
4
5
6
7
8
9
10
11
12
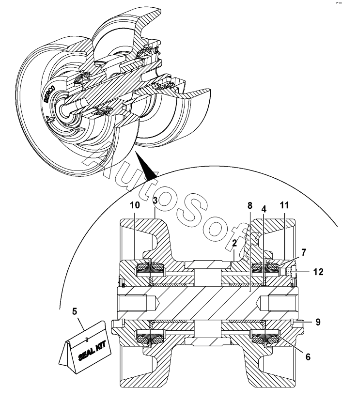
Позиция на иллюстрации | Заводской номер детали | Название детали | |
---|---|---|---|
VOE 16213289 | V***9 | Roller | |
2 | V***7 | Roller | |
3 | V***8 | Roller | |
4 | V***8 | Bushing | |
5 | V***5 | Sealing kit | |
6 | V***8 | Sealing | |
7 | V***4 | Sealing | |
8 | V***7 | Shaft | |
9 | V***9 | Lock ring | |
10 | V***9 | Bracket | |
11 | V***2 | Bracket | |
12 | V***2 | Plug |
Содержащиеся в справочниках-каталогах запасные части и детали не предлагаются к продаже, а носят исключительно информационный характер. В демо-версии артикулы (номера деталей) скрыты. Если вы хотите видеть полные оригинальные номера запчастей, вам необходимо зарегистрироваться на нашем сайте и приобрести подписку по интересующей вас конфигурации, после этого вы сможете встроить онлайн-каталоги на ваш сайт или пользоваться ими из личного кабинета нашего сайта. Обращаем ваше внимание на то, что каталоги содержат информацию об оригинальных заводских номерах и названиях запчастей. База по аналогам в данный момент не реализована. Поиска по VIN-номерам в онлайн-каталоге не предусмотрено. Выбор конкретного каталога осуществляется путем открытия нужного типа техники, марки, модели с учетом года выпуска или модификации.