Каталог запасных частей к технике: Volvo MC105C. Cab body MC60C-MC105C

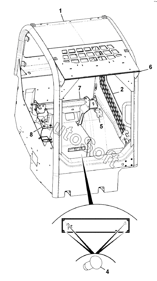
1
2
4
5
6
7
8
Позиция на иллюстрации | Заводской номер детали | Название детали | |
---|---|---|---|
1 | C***y | Canopy | |
2 | D***r | Door | |
4 | V***4 | Drive screw | |
5 | C***e | Cover Plate | |
6 | V***9 | Bracket | |
7 | B***t | Bracket | |
8 | B***t | Bracket |
Содержащиеся в справочниках-каталогах запасные части и детали не предлагаются к продаже, а носят исключительно информационный характер. В демо-версии артикулы (номера деталей) скрыты. Если вы хотите видеть полные оригинальные номера запчастей, вам необходимо зарегистрироваться на нашем сайте и приобрести подписку по интересующей вас конфигурации, после этого вы сможете встроить онлайн-каталоги на ваш сайт или пользоваться ими из личного кабинета нашего сайта. Обращаем ваше внимание на то, что каталоги содержат информацию об оригинальных заводских номерах и названиях запчастей. База по аналогам в данный момент не реализована. Поиска по VIN-номерам в онлайн-каталоге не предусмотрено. Выбор конкретного каталога осуществляется путем открытия нужного типа техники, марки, модели с учетом года выпуска или модификации.