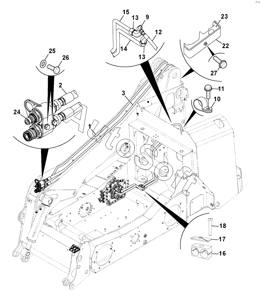
Каталог запасных частей к технике: Volvo MC105C. Hydraulic system, loading unit. RADIAL LIFT, AUX MC60C, MC70C, MCT70C

15
27
26
25
24
23
22
18
17
16
1
14
13
13
12
11
10
9
3
2
Позиция на иллюстрации | Заводской номер детали | Название детали | |
---|---|---|---|
1 | V***5 | Hose assembly | |
2 | V***9 | Hose | |
3 | V***0 | Hose | |
9 | R***6 | Fitting | |
10 | V***1 | Clip | |
11 | V***1 | Bolt | |
12 | V***3 | Hose assembly | |
13 | R***2 | Adapter | |
14 | V***2 | Tube | |
15 | V***5 | Tube | |
16 | V***9 | Hose clamp | |
17 | V***6 | Clamp | |
18 | V***5 | Bolt | |
22 | B***t | Bracket | |
23 | C***p | Clamp | |
24 | V***4 | Manifold | |
25 | V***8 | Plain washer | |
26 | V***6 | Set screw | |
27 | V***0 | Bolt |
Содержащиеся в справочниках-каталогах запасные части и детали не предлагаются к продаже, а носят исключительно информационный характер. В демо-версии артикулы (номера деталей) скрыты. Если вы хотите видеть полные оригинальные номера запчастей, вам необходимо зарегистрироваться на нашем сайте и приобрести подписку по интересующей вас конфигурации, после этого вы сможете встроить онлайн-каталоги на ваш сайт или пользоваться ими из личного кабинета нашего сайта. Обращаем ваше внимание на то, что каталоги содержат информацию об оригинальных заводских номерах и названиях запчастей. База по аналогам в данный момент не реализована. Поиска по VIN-номерам в онлайн-каталоге не предусмотрено. Выбор конкретного каталога осуществляется путем открытия нужного типа техники, марки, модели с учетом года выпуска или модификации.