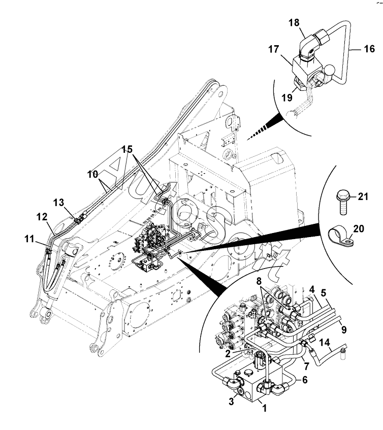
Каталог запасных частей к технике: Volvo MC105C. Hydraulic system, loading unit. VERTICAL LIFT AUX MC85C-MC105C, MCT85C, MCT95C

11
21
20
19
18
17
16
15
14
13
12
1
10
9
8
7
6
5
4
3
2
Позиция на иллюстрации | Заводской номер детали | Название детали | |
---|---|---|---|
1 | V***y | Valve Body | |
2 | V***6 | Pipe | |
3 | V***7 | Pipe | |
4 | P***e | Pipe | |
5 | P***e | Pipe | |
6 | V***1 | Pipe | |
7 | P***e | Pipe | |
8 | V***5 | Adapter | |
9 | P***e | Pipe | |
10 | H***y | Hose assembly | |
11 | V***1 | Tube | |
12 | V***8 | Tube | |
13 | C***p | Clamp | |
14 | V***2 | Hose assembly | |
15 | H***y | Hose assembly | |
16 | V***3 | Pipe | |
17 | B***e | Ball Valve | |
18 | V***3 | Nipple | |
19 | V***5 | Adapter | |
20 | V***6 | Clip | |
21 | V***1 | Bolt |
Содержащиеся в справочниках-каталогах запасные части и детали не предлагаются к продаже, а носят исключительно информационный характер. В демо-версии артикулы (номера деталей) скрыты. Если вы хотите видеть полные оригинальные номера запчастей, вам необходимо зарегистрироваться на нашем сайте и приобрести подписку по интересующей вас конфигурации, после этого вы сможете встроить онлайн-каталоги на ваш сайт или пользоваться ими из личного кабинета нашего сайта. Обращаем ваше внимание на то, что каталоги содержат информацию об оригинальных заводских номерах и названиях запчастей. База по аналогам в данный момент не реализована. Поиска по VIN-номерам в онлайн-каталоге не предусмотрено. Выбор конкретного каталога осуществляется путем открытия нужного типа техники, марки, модели с учетом года выпуска или модификации.