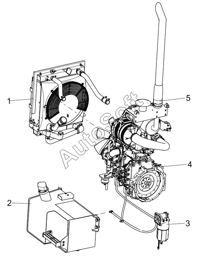
Каталог запасных частей к технике: XCMG XC8-S2570. 402215028 POWER SYSTEM

1
2
3
4
5
Позиция на иллюстрации | Заводской номер детали | Название детали | |
---|---|---|---|
1 | 4***3 | RADIATOR ASSY | |
2 | 4***0 | FUEL TANK ASSY | |
3 | 4***8 | FUEL TUBE ASSEMBLY | |
4 | 4***9 | ENGINE ASSY | |
5 | 4***2 | INTAKE AND EXHAUST SUBASSEMBLY |
Содержащиеся в справочниках-каталогах запасные части и детали не предлагаются к продаже, а носят исключительно информационный характер. В демо-версии артикулы (номера деталей) скрыты. Если вы хотите видеть полные оригинальные номера запчастей, вам необходимо зарегистрироваться на нашем сайте и приобрести подписку по интересующей вас конфигурации, после этого вы сможете встроить онлайн-каталоги на ваш сайт или пользоваться ими из личного кабинета нашего сайта. Обращаем ваше внимание на то, что каталоги содержат информацию об оригинальных заводских номерах и названиях запчастей. База по аналогам в данный момент не реализована. Поиска по VIN-номерам в онлайн-каталоге не предусмотрено. Выбор конкретного каталога осуществляется путем открытия нужного типа техники, марки, модели с учетом года выпуска или модификации.