Каталог запасных частей к технике: XCMG GR2205T. 381100904 FRONT BULLDOZER

13
13
13
24
23
23
22
21
21
20
19
19
18
18
17
16
15
15
15
14
1
12
12
11
10
9
8
7
6
5
4
3
2
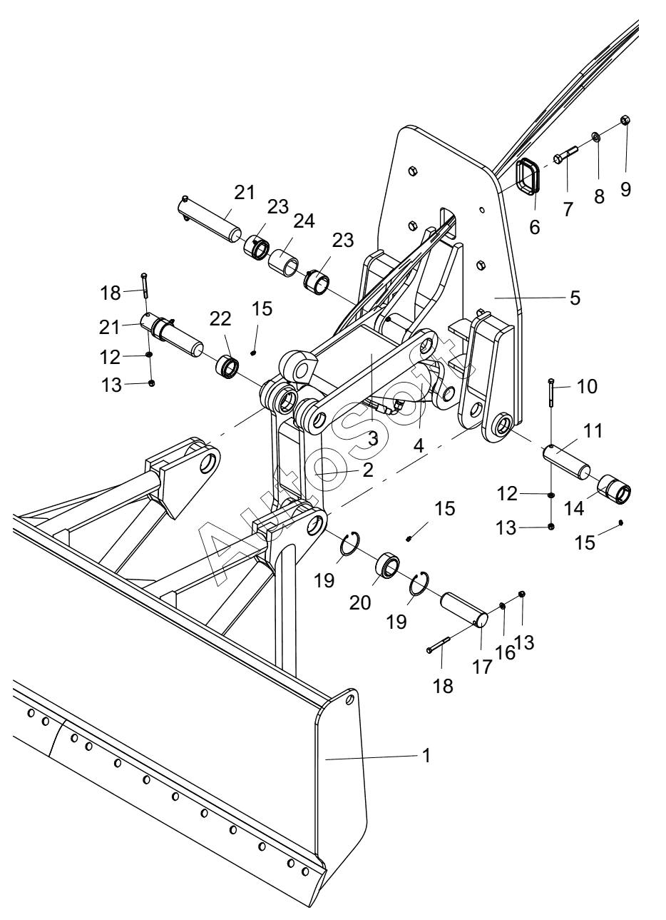
Позиция на иллюстрации | Заводской номер детали | Название детали | |
---|---|---|---|
1 | 3***2 | BLADE ASSY | |
2 | 3***5 | PULL ROD | |
3 | 3***6 | CONNECTING ROD | |
4 | 3***4 | FRONT BLADE HTDRAULIC TUBE | |
5 | 3***7 | BASE FRAME | |
6 | 3***7 | RUBBER SLEEVE | |
7 | 8***0 | BOLT M20x90 | |
8 | 3***5 | THICKENED FLAT WASHER | |
9 | 8***5 | Гайка | |
10 | 8***0 | Bolt | |
11 | 3***0 | HINGE PIN | |
12 | 8***0 | WASHER 12 | |
13 | 8***8 | Гайка | |
14 | 3***8 | COPPER SLEEVE | |
15 | 8***6 | Масленка M10x1 | |
16 | 8***1 | Spring Washer | |
17 | 3***9 | PIN | |
18 | 8***9 | BOLT M12x100 (DACROMET) | |
19 | 8***9 | Retainer | |
20 | 8***5 | Joint bearing | |
21 | 3***1 | PIN | |
22 | 3***4 | COPPER SLEEVE | |
23 | 3***4 | COPPER SLEEVE | |
24 | 3***3 | SLEEVE |
Содержащиеся в справочниках-каталогах запасные части и детали не предлагаются к продаже, а носят исключительно информационный характер. В демо-версии артикулы (номера деталей) скрыты. Если вы хотите видеть полные оригинальные номера запчастей, вам необходимо зарегистрироваться на нашем сайте и приобрести подписку по интересующей вас конфигурации, после этого вы сможете встроить онлайн-каталоги на ваш сайт или пользоваться ими из личного кабинета нашего сайта. Обращаем ваше внимание на то, что каталоги содержат информацию об оригинальных заводских номерах и названиях запчастей. База по аналогам в данный момент не реализована. Поиска по VIN-номерам в онлайн-каталоге не предусмотрено. Выбор конкретного каталога осуществляется путем открытия нужного типа техники, марки, модели с учетом года выпуска или модификации.