Каталог запасных частей к технике: XCMG GR2205T. 382301589 ENGINE SYSTEM

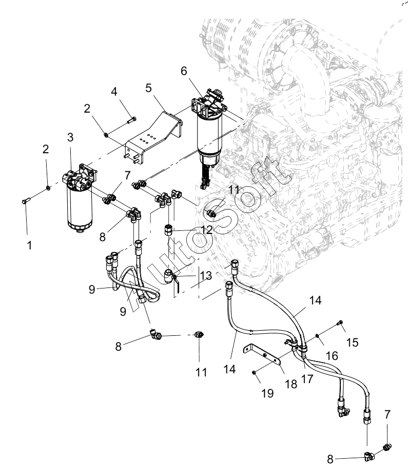
11
11
19
18
17
16
15
14
14
13
12
1
9
9
8
8
8
7
7
6
5
4
3
2
2
Позиция на иллюстрации | Заводской номер детали | Название детали | |
---|---|---|---|
1 | 8***6 | Bolt | |
2 | 3***2 | THICKENED FLAT WASHER | |
3 | 8***1 | FUEL FILTER | |
4 | 8***8 | Bolt | |
5 | 3***7 | FILTER BRACKET ASSEMBLY | |
6 | 8***0 | FUEL FILTER | |
7 | 8***1 | JOINT | |
8 | 8***5 | Соединение | |
9 | 8***0 | DIESEL PIPE | |
11 | 8***0 | JOINT | |
12 | 8***3 | Adapter | |
13 | 8***8 | BALL VALVE | |
14 | 8***2 | DIESEL PIPE | |
15 | 8***8 | Болт | |
16 | 3***1 | THICKENED FLAT WASHER | |
17 | 8***9 | Карман для карт d.26 | |
18 | 3***7 | DIESEL PIPE SUPPORT PLATE | |
19 | 8***8 | NUT M8 |
Содержащиеся в справочниках-каталогах запасные части и детали не предлагаются к продаже, а носят исключительно информационный характер. В демо-версии артикулы (номера деталей) скрыты. Если вы хотите видеть полные оригинальные номера запчастей, вам необходимо зарегистрироваться на нашем сайте и приобрести подписку по интересующей вас конфигурации, после этого вы сможете встроить онлайн-каталоги на ваш сайт или пользоваться ими из личного кабинета нашего сайта. Обращаем ваше внимание на то, что каталоги содержат информацию об оригинальных заводских номерах и названиях запчастей. База по аналогам в данный момент не реализована. Поиска по VIN-номерам в онлайн-каталоге не предусмотрено. Выбор конкретного каталога осуществляется путем открытия нужного типа техники, марки, модели с учетом года выпуска или модификации.