Каталог запасных частей к технике: XCMG GR2205T. 382301573 ELECTRIC SYSTEM

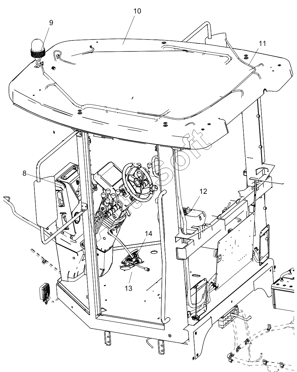
8
9
10
11
12
13
14
Позиция на иллюстрации | Заводской номер детали | Название детали | |
---|---|---|---|
8 | 3***6 | INSTRUMENTATION CONSOLE ASSY | |
9 | 8***7 | LED ROTATING ALARM LAMP | |
10 | 3***9 | CAB ELECTRICAL ASSEMBLY | |
11 | 8***0 | VIDEO LINE | |
12 | 3***7 | CONTROL BOX | |
13 | 8***9 | BOLT M6x35 | |
14 | 8***4 | ACCELERATOR PEDAL |
Содержащиеся в справочниках-каталогах запасные части и детали не предлагаются к продаже, а носят исключительно информационный характер. В демо-версии артикулы (номера деталей) скрыты. Если вы хотите видеть полные оригинальные номера запчастей, вам необходимо зарегистрироваться на нашем сайте и приобрести подписку по интересующей вас конфигурации, после этого вы сможете встроить онлайн-каталоги на ваш сайт или пользоваться ими из личного кабинета нашего сайта. Обращаем ваше внимание на то, что каталоги содержат информацию об оригинальных заводских номерах и названиях запчастей. База по аналогам в данный момент не реализована. Поиска по VIN-номерам в онлайн-каталоге не предусмотрено. Выбор конкретного каталога осуществляется путем открытия нужного типа техники, марки, модели с учетом года выпуска или модификации.