Каталог запасных частей к технике: XCMG XE800D (2021). 803099139 MAIN PUMP

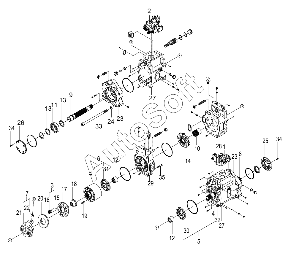
21
22
23
23
24
25
26
27
27
28
29
30
31
32
33
34
34
35
Позиция на иллюстрации | Заводской номер детали | Название детали | |
---|---|---|---|
21 | 8***3 | SWASH PLATE | |
22 | 8***4 | INCLINED BUSHING | |
23 | 8***9 | SWASH-PLATE JACK STAND | |
24 | 8***6 | WASHER WASHER | |
25 | 8***2 | OIL SEAL COVER | |
26 | 8***6 | OIL SEAL COVER | |
27 | 8***9 | PUMP BODY PUMP BODY | |
28 | 8***7 | OIL DISTRIBUTION CASE | |
29 | 8***4 | OIL DISTRIBUTION CASE | |
30 | 8***2 | OIL DISTRIBUTION DISC ® | |
31 | 8***3 | OIL DISTRIBUTION DISC (L) | |
32 | 8***4 | HEXAGON SOCKET SCREW BOLT | |
33 | 8***5 | HEXAGON SOCKET SCREW BOLT | |
34 | 8***0 | HEXAGON SOCKET SCREW | |
35 | 8***7 | HEXAGON SOCKET SCREW BOLT |
Содержащиеся в справочниках-каталогах запасные части и детали не предлагаются к продаже, а носят исключительно информационный характер. В демо-версии артикулы (номера деталей) скрыты. Если вы хотите видеть полные оригинальные номера запчастей, вам необходимо зарегистрироваться на нашем сайте и приобрести подписку по интересующей вас конфигурации, после этого вы сможете встроить онлайн-каталоги на ваш сайт или пользоваться ими из личного кабинета нашего сайта. Обращаем ваше внимание на то, что каталоги содержат информацию об оригинальных заводских номерах и названиях запчастей. База по аналогам в данный момент не реализована. Поиска по VIN-номерам в онлайн-каталоге не предусмотрено. Выбор конкретного каталога осуществляется путем открытия нужного типа техники, марки, модели с учетом года выпуска или модификации.