Каталог запасных частей к технике: XCMG XE800D (2021). 800169524 VALVE SEAT

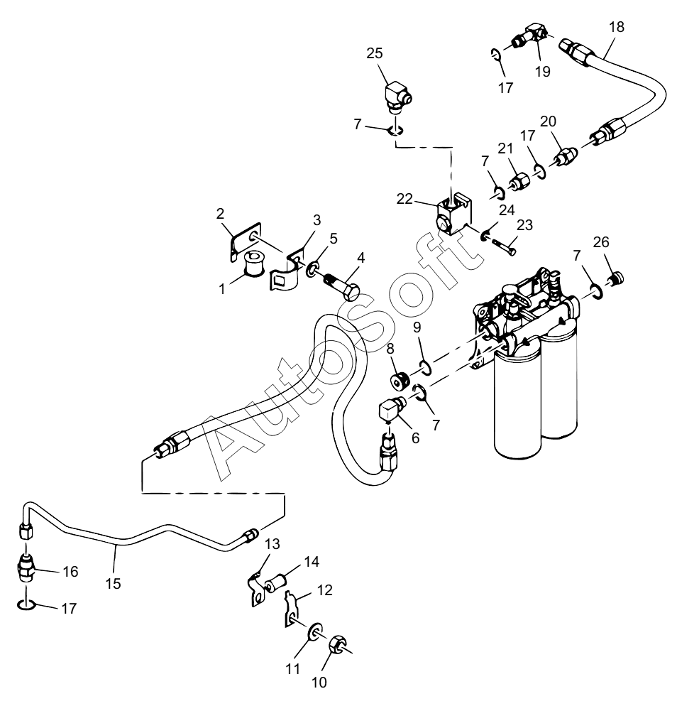
14
26
25
24
23
22
21
20
19
18
17
17
17
16
15
1
13
12
11
10
9
8
7
7
7
7
6
5
4
3
2
Позиция на иллюстрации | Заводской номер детали | Название детали | |
---|---|---|---|
1 | 8***2 | PIPE CLIP | |
2 | 8***6 | BRACKET | |
3 | 8***0 | BRACKET | |
4 | 8***0 | BOLT | |
5 | 8***9 | WASHER | |
6 | 8***1 | CONNECTOR | |
7 | 8***3 | O-RING | |
8 | 8***4 | PLUG | |
9 | 8***5 | O-RING | |
10 | 8***3 | NUT | |
11 | 8***5 | WASHER | |
12 | 8***4 | PIPE CLIP | |
13 | 8***3 | PIPE CLIP | |
14 | 8***9 | PIPE CLIP | |
15 | 8***1 | FUEL DELIVERY PIPE | |
16 | 8***3 | CONNECTOR | |
17 | 8***6 | O-RING | |
18 | 8***4 | FUEL HOSE | |
19 | 8***7 | CONNECTOR | |
20 | 1***7 | INNER VALVE SPRING | |
21 | 8***8 | CONNECTOR | |
22 | 8***5 | VALVE BLOCK | |
23 | 8***8 | BOLT | |
24 | 8***9 | WASHER | |
25 | 8***7 | CONNECTOR | |
26 | 8***1 | PLUG |
Содержащиеся в справочниках-каталогах запасные части и детали не предлагаются к продаже, а носят исключительно информационный характер. В демо-версии артикулы (номера деталей) скрыты. Если вы хотите видеть полные оригинальные номера запчастей, вам необходимо зарегистрироваться на нашем сайте и приобрести подписку по интересующей вас конфигурации, после этого вы сможете встроить онлайн-каталоги на ваш сайт или пользоваться ими из личного кабинета нашего сайта. Обращаем ваше внимание на то, что каталоги содержат информацию об оригинальных заводских номерах и названиях запчастей. База по аналогам в данный момент не реализована. Поиска по VIN-номерам в онлайн-каталоге не предусмотрено. Выбор конкретного каталога осуществляется путем открытия нужного типа техники, марки, модели с учетом года выпуска или модификации.