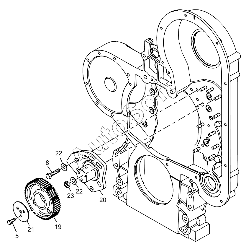
Каталог запасных частей к технике: XCMG XE800D (2021). 800169559 TIMING BOX GEAR

5
8
19
20
21
22
22
23
Позиция на иллюстрации | Заводской номер детали | Название детали | |
---|---|---|---|
5 | 8***2 | BOLT | |
8 | 8***6 | BOLT | |
19 | 8***1 | IDLER WHEEL | |
20 | 8***2 | ENGINE BLOCK | |
21 | 8***6 | PLATE | |
22 | 8***5 | WASHER | |
23 | 8***3 | NUT |
Содержащиеся в справочниках-каталогах запасные части и детали не предлагаются к продаже, а носят исключительно информационный характер. В демо-версии артикулы (номера деталей) скрыты. Если вы хотите видеть полные оригинальные номера запчастей, вам необходимо зарегистрироваться на нашем сайте и приобрести подписку по интересующей вас конфигурации, после этого вы сможете встроить онлайн-каталоги на ваш сайт или пользоваться ими из личного кабинета нашего сайта. Обращаем ваше внимание на то, что каталоги содержат информацию об оригинальных заводских номерах и названиях запчастей. База по аналогам в данный момент не реализована. Поиска по VIN-номерам в онлайн-каталоге не предусмотрено. Выбор конкретного каталога осуществляется путем открытия нужного типа техники, марки, модели с учетом года выпуска или модификации.