Каталог запасных частей к технике: XCMG ZL50GN. 252119809 BRAKE CONTROLLER

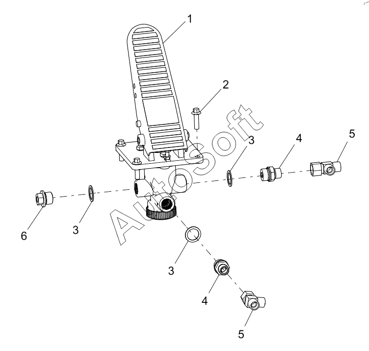
1
2
3
3
3
4
4
5
5
6
Позиция на иллюстрации | Заводской номер детали | Название детали | |
---|---|---|---|
1 | 8***5 | AIR BRAKE VALVE | |
2 | 8***0 | Болт М8x30 | |
3 | 8***4 | Шайба 22 | |
4 | 8***3 | Соединение | |
5 | 8***5 | SPLICE | |
6 | 2***1 | Соединение |
Содержащиеся в справочниках-каталогах запасные части и детали не предлагаются к продаже, а носят исключительно информационный характер. В демо-версии артикулы (номера деталей) скрыты. Если вы хотите видеть полные оригинальные номера запчастей, вам необходимо зарегистрироваться на нашем сайте и приобрести подписку по интересующей вас конфигурации, после этого вы сможете встроить онлайн-каталоги на ваш сайт или пользоваться ими из личного кабинета нашего сайта. Обращаем ваше внимание на то, что каталоги содержат информацию об оригинальных заводских номерах и названиях запчастей. База по аналогам в данный момент не реализована. Поиска по VIN-номерам в онлайн-каталоге не предусмотрено. Выбор конкретного каталога осуществляется путем открытия нужного типа техники, марки, модели с учетом года выпуска или модификации.