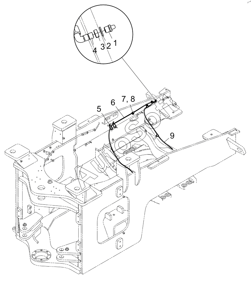
Каталог запасных частей к технике: XCMG ZL50GN. 252912585 SUBFRAME GREASE PIPE ASSY

1
2
3
4
5
6
7
8
9
Позиция на иллюстрации | Заводской номер детали | Название детали | |
---|---|---|---|
1 | 8***5 | Oil cup | |
2 | 8***9 | Шайба 10 | |
3 | 8***5 | Замковая гайка 6 | |
4 | 8***1 | Корпус соединения 6 | |
5 | 8***8 | CONNECTOR CABLE TIE 4.8x190 | |
6 | 2***1 | Труба тавота переднего штифта | |
7 | 8***5 | Болт | |
8 | 8***3 | FERRULE d10 | |
9 | 4***1 | SUBFRAME GREASE PIPE |
Содержащиеся в справочниках-каталогах запасные части и детали не предлагаются к продаже, а носят исключительно информационный характер. В демо-версии артикулы (номера деталей) скрыты. Если вы хотите видеть полные оригинальные номера запчастей, вам необходимо зарегистрироваться на нашем сайте и приобрести подписку по интересующей вас конфигурации, после этого вы сможете встроить онлайн-каталоги на ваш сайт или пользоваться ими из личного кабинета нашего сайта. Обращаем ваше внимание на то, что каталоги содержат информацию об оригинальных заводских номерах и названиях запчастей. База по аналогам в данный момент не реализована. Поиска по VIN-номерам в онлайн-каталоге не предусмотрено. Выбор конкретного каталога осуществляется путем открытия нужного типа техники, марки, модели с учетом года выпуска или модификации.