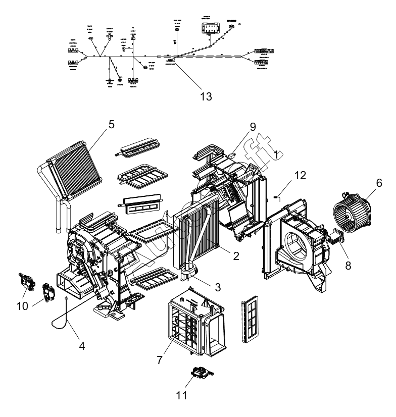
Каталог запасных частей к технике: XCMG XE215C. 803547411 EVAPORATOR ASSEMBLY

1
2
3
4
5
6
7
8
9
10
11
12
13
Позиция на иллюстрации | Заводской номер детали | Название детали | |
---|---|---|---|
1 | 8***6 | EVAPORATOR AND EXPANSION | |
2 | 8***7 | EVAPORATOR CORE ASSY | |
3 | 8***3 | BOLT ASSEMBLY | |
4 | 8***0 | TEMPERATURE SENSOR | |
5 | 8***1 | CORE ASSEMBLY | |
6 | 8***9 | MOTOR AND FAN GROUP | |
7 | 8***4 | AIR INLET TANK ASSEMBLY | |
8 | 8***5 | SPEED REGULATING RESISTOR | |
9 | 8***6 | RELAY | |
10 | 8***7 | MODEL TEMPERATURE EXECUTOR | |
11 | 8***0 | SERVOMOTOR | |
12 | 8***4 | SENSOR | |
13 | 8***1 | HARNESS |
Содержащиеся в справочниках-каталогах запасные части и детали не предлагаются к продаже, а носят исключительно информационный характер. В демо-версии артикулы (номера деталей) скрыты. Если вы хотите видеть полные оригинальные номера запчастей, вам необходимо зарегистрироваться на нашем сайте и приобрести подписку по интересующей вас конфигурации, после этого вы сможете встроить онлайн-каталоги на ваш сайт или пользоваться ими из личного кабинета нашего сайта. Обращаем ваше внимание на то, что каталоги содержат информацию об оригинальных заводских номерах и названиях запчастей. База по аналогам в данный момент не реализована. Поиска по VIN-номерам в онлайн-каталоге не предусмотрено. Выбор конкретного каталога осуществляется путем открытия нужного типа техники, марки, модели с учетом года выпуска или модификации.