Каталог запасных частей к технике: XCMG XE215C. 310703463 TURNTABLE LINES

23
36
35
34
33
32
31
30
29
28
27
26
25
24
1
22
21
20
19
10
9
8
7
6
5
4
3
2
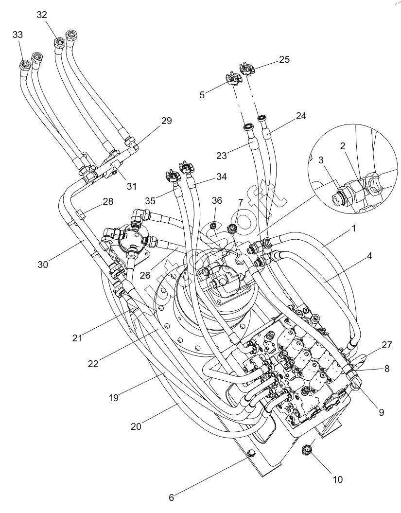
Позиция на иллюстрации | Заводской номер детали | Название детали | |
---|---|---|---|
1 | 8***2 | HOSE ASSY | |
2 | 8***4 | Fitting | |
3 | 8***0 | CONNECTOR | |
4 | 8***1 | HOSE ASSY | |
5 | 8***4 | Блок фланцев | |
6 | 3***7 | MAIN VALVE INSTALLATION ASSEMBLY | |
7 | 8***2 | CONNECTOR | |
8 | 8***4 | HOSE ASSY | |
9 | 8***8 | Fitting | |
10 | 8***3 | Соединители | |
19 | 8***4 | HOSE ASSY | |
20 | 8***8 | HOSE ASSY | |
21 | 8***4 | HOSE ASSY | |
22 | 8***5 | HOSE ASSY | |
23 | 8***5 | HOSE ASSY | |
24 | 8***3 | HOSE ASSY | |
25 | 8***7 | FLANGE ASSEMBLY | |
26 | 8***7 | HOSE ASSY | |
27 | 8***6 | HOSE ASSY | |
28 | 3***2 | CLAMP ASSEMBLY | |
29 | 3***3 | RIGID TUBE | |
30 | 3***4 | RIGID TUBE | |
31 | 3***5 | CLAMP ASSEMBLY | |
32 | 8***2 | HOSE ASSY | |
33 | 8***1 | HOSE ASSY | |
34 | 8***4 | HOSE ASSY | |
35 | 8***5 | HOSE ASSY | |
36 | 8***6 | Adapter |
Содержащиеся в справочниках-каталогах запасные части и детали не предлагаются к продаже, а носят исключительно информационный характер. В демо-версии артикулы (номера деталей) скрыты. Если вы хотите видеть полные оригинальные номера запчастей, вам необходимо зарегистрироваться на нашем сайте и приобрести подписку по интересующей вас конфигурации, после этого вы сможете встроить онлайн-каталоги на ваш сайт или пользоваться ими из личного кабинета нашего сайта. Обращаем ваше внимание на то, что каталоги содержат информацию об оригинальных заводских номерах и названиях запчастей. База по аналогам в данный момент не реализована. Поиска по VIN-номерам в онлайн-каталоге не предусмотрено. Выбор конкретного каталога осуществляется путем открытия нужного типа техники, марки, модели с учетом года выпуска или модификации.