Каталог запасных частей к технике: XCMG XC958. 253805354 CENTRAL PRESSURE MEASUREMENT SYSTEM

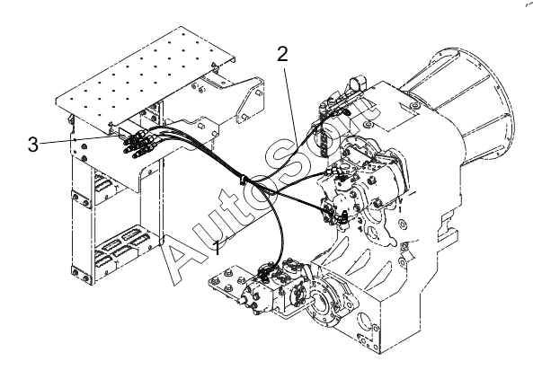
1
2
3
Позиция на иллюстрации | Заводской номер детали | Название детали | |
---|---|---|---|
1 | 2***8 | PRESSURE MEASUREMENT IDENTIFICATION | |
2 | 8***5 | Соединители | |
3 | 8***5 | Переходник для замера давления | |
4 | 8***5 | CUTTING SLEEVE d16 | |
5 | 8***4 | Болт m6x12 | |
6 | 2***7 | PRESSUREMEASURE HOSE | |
7 | 8***1 | Соединение | |
8 | 8***1 | CONNECTOR | |
9 | 2***6 | Манометрический провод | |
10 | 8***3 | Соединение | |
11 | 2***8 | Манометрический провод |
Содержащиеся в справочниках-каталогах запасные части и детали не предлагаются к продаже, а носят исключительно информационный характер. В демо-версии артикулы (номера деталей) скрыты. Если вы хотите видеть полные оригинальные номера запчастей, вам необходимо зарегистрироваться на нашем сайте и приобрести подписку по интересующей вас конфигурации, после этого вы сможете встроить онлайн-каталоги на ваш сайт или пользоваться ими из личного кабинета нашего сайта. Обращаем ваше внимание на то, что каталоги содержат информацию об оригинальных заводских номерах и названиях запчастей. База по аналогам в данный момент не реализована. Поиска по VIN-номерам в онлайн-каталоге не предусмотрено. Выбор конкретного каталога осуществляется путем открытия нужного типа техники, марки, модели с учетом года выпуска или модификации.