Каталог запасных частей к технике: XCMG LW300KN (2023). 252611410 HYDRAULIC SYSTEM

1
2
3
4
5
6
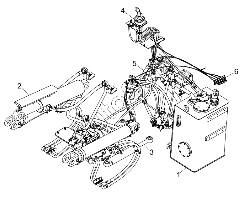
Позиция на иллюстрации | Заводской номер детали | Название детали | |
---|---|---|---|
1 | 2***6 | WORKING HYDRAULIC SYSTEM (1) | |
2 | 2***4 | WORKING HYDRAULIC SYSTEM (2) | |
3 | 2***3 | STEERING SYSTEM | |
4 | 2***8 | OPERATING SYSTEM | |
5 | 2***8 | ARTICULATED PIPELINE | |
6 | 2***9 | CENTRAL PRESSURE MEASUREMENT SYSTEM |
Содержащиеся в справочниках-каталогах запасные части и детали не предлагаются к продаже, а носят исключительно информационный характер. В демо-версии артикулы (номера деталей) скрыты. Если вы хотите видеть полные оригинальные номера запчастей, вам необходимо зарегистрироваться на нашем сайте и приобрести подписку по интересующей вас конфигурации, после этого вы сможете встроить онлайн-каталоги на ваш сайт или пользоваться ими из личного кабинета нашего сайта. Обращаем ваше внимание на то, что каталоги содержат информацию об оригинальных заводских номерах и названиях запчастей. База по аналогам в данный момент не реализована. Поиска по VIN-номерам в онлайн-каталоге не предусмотрено. Выбор конкретного каталога осуществляется путем открытия нужного типа техники, марки, модели с учетом года выпуска или модификации.