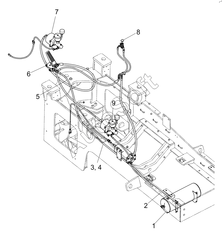
Каталог запасных частей к технике: XCMG LW300KN (2023). 252611432 BRAKING SYSTEM

1
2
3
4
5
6
7
8
9
Позиция на иллюстрации | Заводской номер детали | Название детали | |
---|---|---|---|
1 | 2***1 | AIR RESERVOIR ASSEMBLY | |
2 | 8***3 | Соединение | |
3 | 8***9 | Карман для карт d.26 | |
4 | 8***5 | Болт | |
5 | 2***2 | HOSE ASSEMBLY | |
6 | 2***0 | BRAKE CONTROLLER ASSY | |
7 | 2***3 | FRONT AXLE BRAKE LINES | |
8 | 2***3 | PARKING BRAKE SYSTEM | |
9 | 2***0 | REAR AXLE BRAKE LINES |
Содержащиеся в справочниках-каталогах запасные части и детали не предлагаются к продаже, а носят исключительно информационный характер. В демо-версии артикулы (номера деталей) скрыты. Если вы хотите видеть полные оригинальные номера запчастей, вам необходимо зарегистрироваться на нашем сайте и приобрести подписку по интересующей вас конфигурации, после этого вы сможете встроить онлайн-каталоги на ваш сайт или пользоваться ими из личного кабинета нашего сайта. Обращаем ваше внимание на то, что каталоги содержат информацию об оригинальных заводских номерах и названиях запчастей. База по аналогам в данный момент не реализована. Поиска по VIN-номерам в онлайн-каталоге не предусмотрено. Выбор конкретного каталога осуществляется путем открытия нужного типа техники, марки, модели с учетом года выпуска или модификации.