Каталог запасных частей к технике: Мозырский МЗ КРД-1,5 (2010). Гидросистема КРД -1,5.04.00.000
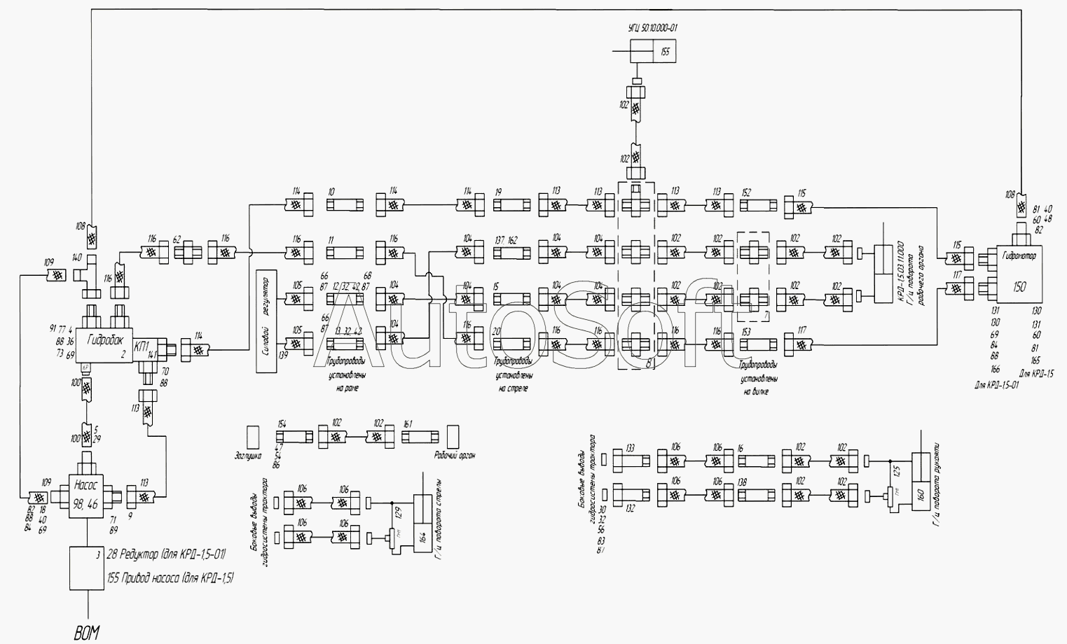
130
130
150
141
140
139
138
137
133
132
131
131
152
129
125
98
98
83
77
91
89
88
88
88
88
87
87
87
87
108
108
117
117
116
116
116
116
116
116
116
116
116
116
115
115
114
114
114
114
113
113
113
113
113
113
106
106
106
106
106
106
106
106
105
105
104
104
104
104
104
104
104
104
102
102
102
102
102
102
102
102
102
102
102
102
102
102
102
102
109
109
100
100
165
164
162
161
160
155
155
154
153
13
32
32
32
30
29
28
20
19
18
16
15
36
12
11
10
9
8
7
5
4
3
2
60
60
84
84
82
82
81
81
73
71
70
69
69
69
68
66
66
62
56
54
48
47
42
42
40
40
| Позиция на иллюстрации | Заводской номер детали | Название детали | |
|---|---|---|---|
| 1 | К***0 | Гидрозамок | |
| 2 | К***0 | Гидробак | |
| 3 | К***0 | Редуктор | |
| 4 | К***0 | Кронштейн | |
| 5 | К***0 | Угольник | |
| 7 | К***0 | Переходник | |
| 8 | К***0 | Переходник | |
| 9 | К***0 | Угольник | |
| 10 | К***0 | Трубопровод | |
| 11 | К***1 | Трубопровод | |
| 12 | К***0 | Трубопровод | |
| 13 | К***1 | Трубопровод | |
| 15 | К***0 | Трубопровод | |
| 16 | К***1 | Трубопровод | |
| 18 | К***0 | Переходник | |
| 19 | К***0 | Трубопровод | |
| 20 | К***1 | Трубопровод | |
| 26 | У***1 | Штуцер с дросселем | |
| 28 | К***0 | Редуктор | |
| 29 | М***2 | Хомут зажимной М62022 | |
| 30 | К***1 | Опора | |
| 32 | К***2 | Крышка | |
| 36 | К***5 | Уголок | |
| 37 | К***6 | Прокладка | |
| 40 | М***2 | Хомут зажимной М62022 | |
| 42 | К***5 | Крышка | |
| 45 | К***1 | Прокладка | |
| 45 | Н***2 | Прокладка | |
| 47 | К***9 | Штуцер | |
| 48 | К***6 | Переходник | |
| 49 | Х***0 | Хомут7,6x200 | |
| 54 | М***4 | Сапун | |
| 56 | У***3 | Штуцер | |
| 60 | У***3 | Штуцер под резиновое Кольцо | |
| 62 | У***3 | Штуцер проходной | |
| 66 | М***8 | Болт М8-8gx25.48 | |
| 68 | М***8 | Болт М8-8gx40.48 | |
| 69 | ***8 | Болт M10-8gx25.48 | |
| 70 | ***8 | Болт M10-8gx16.48 | |
| 71 | ***8 | Болт M12-8gx35.48 | |
| 73 | М***8 | Болт М20-8gx40.48 | |
| 77 | Г***а | Гайка | |
| 81 | 0***5 | Кольцо | |
| 82 | 0***5 | Кольцо 015019-25 | |
| 83 | 0***5 | Кольцо 017-021-25 | |
| 84 | 0***0 | Кольцо 040045-30 | |
| 85 | 0***5 | Кольцо 019-023-25 | |
| 87 | 8***Г | Шайба | |
| 88 | 1***Г | Шайба | |
| 89 | 1***Г | Шайба 12 65Г | |
| 91 | 2***Г | Шайба | |
| 98 | 3***3 | Гидронасос 310.3.56-03 | |
| 98 | 3***4 | Гидронасос 310.3.5604 | |
| 100 | 1***0 | Рукав 138-1,0 | |
| 102 | Р***У | Рукав | |
| 104 | Р***У | РВД12-21-850-У | |
| 105 | Р***У | РВД12-21-1050-У | |
| 106 | Р***У | РВД12-21-1250-У | |
| 108 | 1***3 | Рукав 112-6,3 | |
| 109 | 1***3 | Рукав 112-6,3 | |
| 113 | Р***0 | РВД161AST850 | |
| 114 | Р***0 | РВД161AST1050 | |
| 115 | Р***0 | РВД161AST1250 | |
| 116 | Р***0 | РВД201AST850 | |
| 117 | Р***0 | РВД201AST1250 | |
| 125 | К***0 | Трубопровод | |
| 129 | К***0 | Трубопровод | |
| 130 | К***0 | Угольник | |
| 131 | К***1 | Угольник | |
| 132 | К***0 | Трубопровод | |
| 133 | К***0 | Трубопровод | |
| 137 | К***2 | Трубопровод | |
| 138 | К***3 | Трубопровод | |
| 139 | К***0 | Переходник | |
| 140 | К***0 | Угольник | |
| 141 | К***0 | Клапан предохранительный | |
| 150 | 3***0 | Гидромотор 310.2.28.00 | |
| 151 | К***0 | Гидроцилиндр | |
| 152 | К***0 | Трубопровод | |
| 153 | К***1 | Трубопровод | |
| 154 | К***0 | Трубопровод | |
| 155 | У***1 | Гидроцилиндр | |
| 156 | П***а | Привод насоса | |
| 160 | К***0 | Гидроцилиндр | |
| 161 | К***0 | Трубопровод | |
| 162 | У***5 | Штуцер дроссель | |
| 164 | Н***0 | Гидроцилиндр | |
| 165 | К***9 | Прокладка |
Содержащиеся в справочниках-каталогах запасные части и детали не предлагаются к продаже, а носят исключительно информационный характер. В демо-версии артикулы (номера деталей) скрыты. Если вы хотите видеть полные оригинальные номера запчастей, вам необходимо зарегистрироваться на нашем сайте и приобрести подписку по интересующей вас конфигурации, после этого вы сможете встроить онлайн-каталоги на ваш сайт или пользоваться ими из личного кабинета нашего сайта. Обращаем ваше внимание на то, что каталоги содержат информацию об оригинальных заводских номерах и названиях запчастей. База по аналогам в данный момент не реализована. Поиска по VIN-номерам в онлайн-каталоге не предусмотрено. Выбор конкретного каталога осуществляется путем открытия нужного типа техники, марки, модели с учетом года выпуска или модификации.