Меню Закрыть

Демо

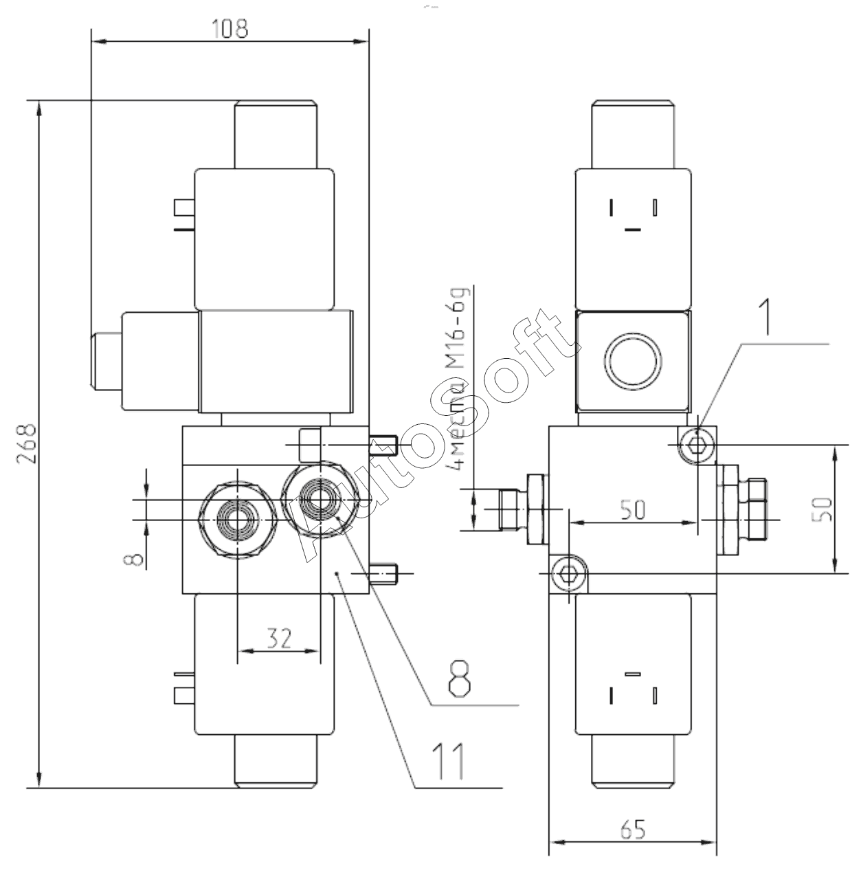
Каталог запасных частей к технике: ЭКСМАШ TLH 4007-11 (2017). Гидрораспределитель управления мостами в сборе

zoom-in zoom-out enlarge shrink circle-right circle-left file-text2 info cart
1
8
11
Позиция на иллюстрации Заводской номер детали Название детали
1 2***8 Винт
8 2***3 Адаптер
11 2***0 Клапан
Содержащиеся в справочниках-каталогах запасные части и детали не предлагаются к продаже, а носят исключительно информационный характер. В демо-версии артикулы (номера деталей) скрыты. Если вы хотите видеть полные оригинальные номера запчастей, вам необходимо зарегистрироваться на нашем сайте и приобрести подписку по интересующей вас конфигурации, после этого вы сможете встроить онлайн-каталоги на ваш сайт или пользоваться ими из личного кабинета нашего сайта. Обращаем ваше внимание на то, что каталоги содержат информацию об оригинальных заводских номерах и названиях запчастей. База по аналогам в данный момент не реализована. Поиска по VIN-номерам в онлайн-каталоге не предусмотрено. Выбор конкретного каталога осуществляется путем открытия нужного типа техники, марки, модели с учетом года выпуска или модификации.