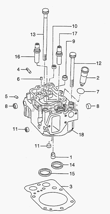
Каталог запасных частей к технике: Hitachi LX190-7/LX230-7 (2008). CYLINDER HEAD
10
18
17
16
15
14
13
12
11
11
1
9
8
8
7
6
5
4
3
2
| Позиция на иллюстрации | Заводской номер детали | Название детали | |
|---|---|---|---|
| 1 | Н***3 | DIRECTOR | |
| 2 | Н***9 | TUBE | |
| 3 | Н***4 | GASKET | |
| 4 | Н***1 | STUD | |
| 5 | Н***2 | PLUG | |
| 6 | H***5 | PIN, SPRING | |
| 7 | Н***7 | O-RING | |
| 8 | H***7 | CAP | |
| 9 | H***6 | CAP | |
| 10 | H***4 | CAP | |
| 11 | H***5 | CAP | |
| 12 | Н***5 | BOLT | |
| 13 | Н***6 | BOLT | |
| 14 | Н***4 | SEAT, EXHAUST VALVE | |
| 15 | Н***7 | SEAT, INLET VALVE | |
| 16 | Н***0 | GUIDE, INLET VALVE | |
| 17 | Н***2 | GUIDE, EXHAUST VALVE | |
| 18 | C***D | CYLINDER HEAD |
Содержащиеся в справочниках-каталогах запасные части и детали не предлагаются к продаже, а носят исключительно информационный характер. В демо-версии артикулы (номера деталей) скрыты. Если вы хотите видеть полные оригинальные номера запчастей, вам необходимо зарегистрироваться на нашем сайте и приобрести подписку по интересующей вас конфигурации, после этого вы сможете встроить онлайн-каталоги на ваш сайт или пользоваться ими из личного кабинета нашего сайта. Обращаем ваше внимание на то, что каталоги содержат информацию об оригинальных заводских номерах и названиях запчастей. База по аналогам в данный момент не реализована. Поиска по VIN-номерам в онлайн-каталоге не предусмотрено. Выбор конкретного каталога осуществляется путем открытия нужного типа техники, марки, модели с учетом года выпуска или модификации.