Каталог запасных частей к технике: Hitachi ZX-110 (2008). AUTO. ENGINE CONTROL
М500605
М500605
1
1
2
3
4
5
5
5
6
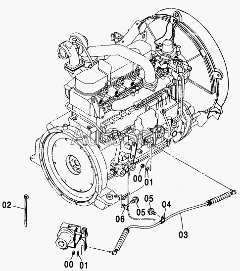
| Позиция на иллюстрации | Заводской номер детали | Название детали | |
|---|---|---|---|
| М500605 | М***5 | NUT | |
| 1 | А***6 | WASHER, SPRING | |
| 2 | 4***2 | CLIP, BAND | |
| 3 | 4***3 | CABLE, CONTROL | |
| 4 | 4***1 | CLIP | |
| 5 | J***0 | BOLT, SEMS | |
| 5 | J***0 | BOLT, SEMS | |
| 6 | 4***6 | CLIP |
Содержащиеся в справочниках-каталогах запасные части и детали не предлагаются к продаже, а носят исключительно информационный характер. В демо-версии артикулы (номера деталей) скрыты. Если вы хотите видеть полные оригинальные номера запчастей, вам необходимо зарегистрироваться на нашем сайте и приобрести подписку по интересующей вас конфигурации, после этого вы сможете встроить онлайн-каталоги на ваш сайт или пользоваться ими из личного кабинета нашего сайта. Обращаем ваше внимание на то, что каталоги содержат информацию об оригинальных заводских номерах и названиях запчастей. База по аналогам в данный момент не реализована. Поиска по VIN-номерам в онлайн-каталоге не предусмотрено. Выбор конкретного каталога осуществляется путем открытия нужного типа техники, марки, модели с учетом года выпуска или модификации.