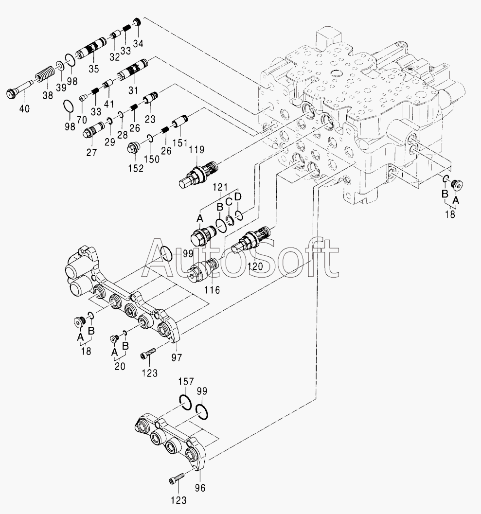
Каталог запасных частей к технике: Hitachi Компоненты ZX-160W (2008). VALVE, CONTROL (3)
121
41
70
96
97
98
98
99
99
116
119
120
40
2046444
4506428
2046498
4506420
123
123
150
151
152
157
27
9226536
18
18
4336167
4336167
4509180
4509180
20
4336166
957366
23
26
26
9219042
28
29
31
32
33
33
34
35
38
39
| Позиция на иллюстрации | Заводской номер детали | Название детали | |
|---|---|---|---|
| 2046444 | 2***4 | PLUG | |
| 2046498 | 2***8 | RING, BACK-UP | |
| 4336166 | 4***6 | PLUG | |
| 4336167 | 4***7 | PLUG | |
| 4506420 | 4***0 | O-RING | |
| 4506428 | 4***8 | O-RING | |
| 4509180 | 4***0 | O-RING | |
| 9219042 | 9***2 | VALVE, CONTROL | |
| 9226536 | 9***6 | VALVE, CONTROL | |
| 957366 | 9***6 | O-RING | |
| 18 | 9***1 | PLUG | |
| 20 | 9***0 | PLUG | |
| 23 | 2***4 | VALVE, THROTTLE | |
| 26 | 2***5 | SPRING | |
| 27 | 2***9 | PLUG | |
| 28 | 4***2 | O-RING | |
| 29 | 2***4 | RING, BACK-UP | |
| 31 | 3***9 | SPOOL | |
| 32 | 2***1 | VALVE, CHECK | |
| 33 | 2***9 | SPRING | |
| 34 | 2***2 | PLUG | |
| 35 | 2***5 | SPOOL | |
| 38 | 2***1 | SPRING | |
| 39 | 2***5 | WASHER | |
| 40 | 2***9 | BOLT | |
| 41 | 3***0 | VALVE, CHECK | |
| 70 | 4***6 | BUSHING | |
| 96 | 1***8 | HOUSING | |
| 97 | 0***4 | HOUSING | |
| 98 | 2***8 | O-RING | |
| 99 | 2***1 | O-RING | |
| 116 | 9***5 | VALVE | |
| 119 | 9***2 | VALVE, RELIEF | |
| 120 | 9***5 | VALVE, RELIEF | |
| 121 | 9***3 | PLUG ASS'Y | |
| 123 | М***0 | BOLT, SOCKET | |
| 150 | 4***6 | O-RING | |
| 151 | 2***3 | VALVE, CHECK | |
| 152 | 2***3 | PLUG | |
| 157 | 2***9 | O-RING |
Содержащиеся в справочниках-каталогах запасные части и детали не предлагаются к продаже, а носят исключительно информационный характер. В демо-версии артикулы (номера деталей) скрыты. Если вы хотите видеть полные оригинальные номера запчастей, вам необходимо зарегистрироваться на нашем сайте и приобрести подписку по интересующей вас конфигурации, после этого вы сможете встроить онлайн-каталоги на ваш сайт или пользоваться ими из личного кабинета нашего сайта. Обращаем ваше внимание на то, что каталоги содержат информацию об оригинальных заводских номерах и названиях запчастей. База по аналогам в данный момент не реализована. Поиска по VIN-номерам в онлайн-каталоге не предусмотрено. Выбор конкретного каталога осуществляется путем открытия нужного типа техники, марки, модели с учетом года выпуска или модификации.