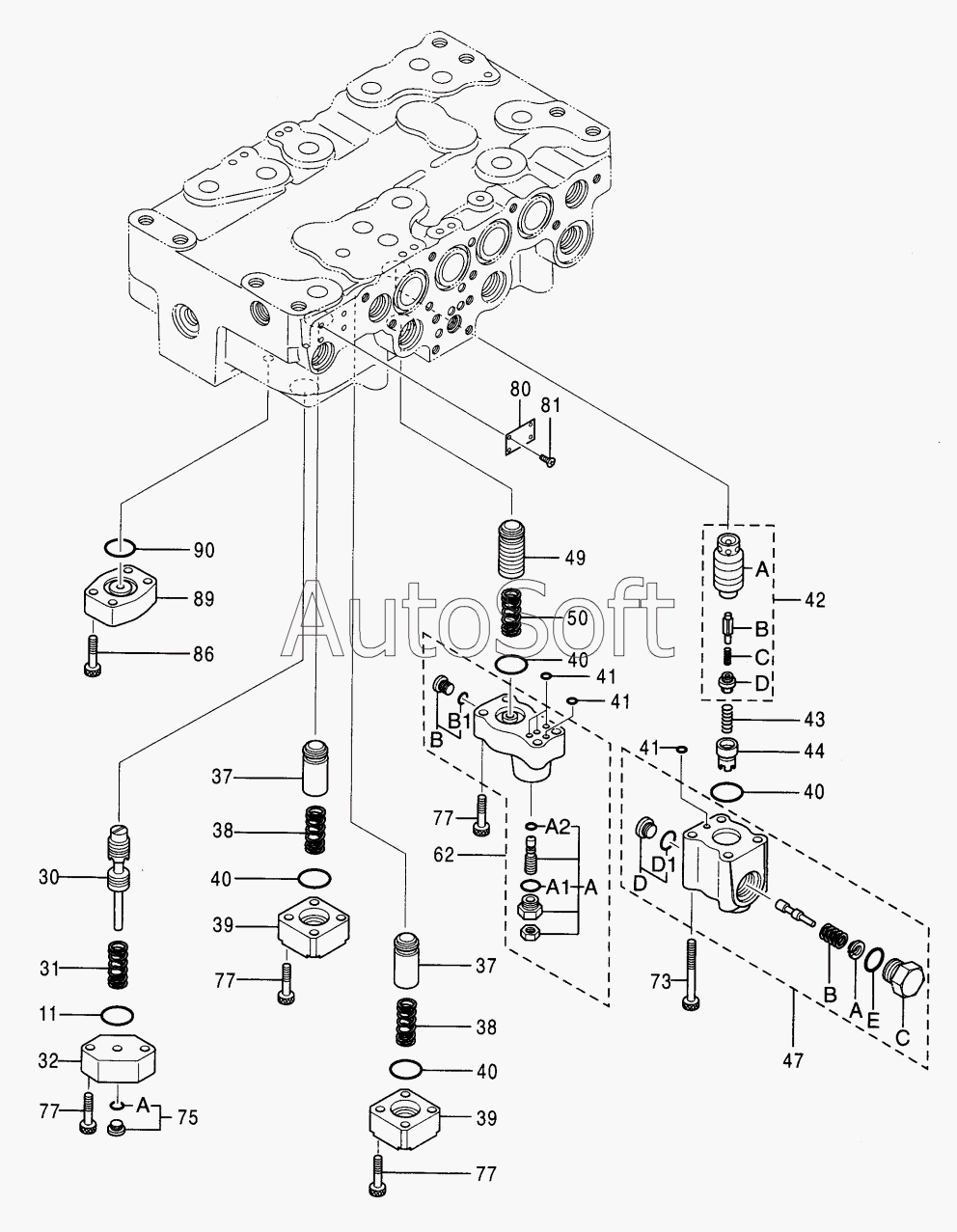
Каталог запасных частей к технике: Hitachi Компоненты ZX-270 (2008). VALVE, CONTROL (2/5)
4032996
0667817
957366
4506418
49
50
62
0791708
957366
4506408
0667713
0791618
73
75
957366
77
77
77
77
80
81
86
89
90
42
11
30
31
31
32
37
37
38
38
39
39
40
40
40
40
41
41
41
4437242
0791704
0791610
0791611
0791612
43
44
47
0791616
0791706
| Позиция на иллюстрации | Заводской номер детали | Название детали | |
|---|---|---|---|
| 0667713 | 0***3 | PLUG ASSY | |
| 0667817 | 0***7 | PLUG ASSY | |
| 0791610 | 0***0 | POPPET | |
| 0791611 | 0***1 | SPRING | |
| 0791612 | 0***2 | PLUG | |
| 0791616 | 0***6 | SEAT | |
| 0791618 | 0***8 | PLUG | |
| 0791704 | 0***4 | POPPET | |
| 0791706 | 0***6 | SPRING | |
| 0791708 | 0***8 | VALVE ASSY | |
| 4032996 | 4***6 | O-RING | |
| 4437242 | 4***2 | VАLVЕ, СОNТRОL | |
| 4506408 | 4***8 | O-RING | |
| 4506418 | 4***8 | O-RING | |
| 957366 | 9***6 | O-RING | |
| 957366 | 9***6 | O-RING | |
| 957366 | 9***6 | O-RING | |
| 11 | 4***6 | O-RING | |
| 30 | S***L | SPOOL | |
| 31 | 0***1 | SPRING | |
| 31 | 0***9 | SPRING | |
| 32 | 0***2 | FLANGE | |
| 37 | 0***3 | POPPET | |
| 38 | 0***4 | SPRING | |
| 39 | 0***5 | FLANGE | |
| 40 | 9***8 | O-RING | |
| 41 | 4***6 | O-RING | |
| 42 | 4***3 | POPPET ASSY | |
| 43 | 0***6 | SPRING | |
| 44 | 7***7 | SPACER | |
| 47 | 4***6 | BODY ASSY | |
| 49 | 0***9 | POPPET | |
| 50 | 0***0 | SPRING | |
| 62 | 4***0 | BODY ASSY | |
| 73 | 0***2 | BOLT | |
| 75 | 0***5 | PLUG ASSY | |
| 77 | 0***9 | BOLT | |
| 80 | N***E | NAME-PLATE | |
| 81 | S***W | SCREW | |
| 86 | 0***9 | BOLT | |
| 89 | 0***2 | CAP | |
| 90 | 0***2 | O-RING |
Содержащиеся в справочниках-каталогах запасные части и детали не предлагаются к продаже, а носят исключительно информационный характер. В демо-версии артикулы (номера деталей) скрыты. Если вы хотите видеть полные оригинальные номера запчастей, вам необходимо зарегистрироваться на нашем сайте и приобрести подписку по интересующей вас конфигурации, после этого вы сможете встроить онлайн-каталоги на ваш сайт или пользоваться ими из личного кабинета нашего сайта. Обращаем ваше внимание на то, что каталоги содержат информацию об оригинальных заводских номерах и названиях запчастей. База по аналогам в данный момент не реализована. Поиска по VIN-номерам в онлайн-каталоге не предусмотрено. Выбор конкретного каталога осуществляется путем открытия нужного типа техники, марки, модели с учетом года выпуска или модификации.