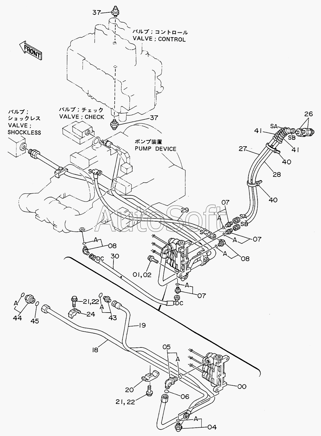
Каталог запасных частей к технике: Hitachi EX-200 (2008). PILOT PIPINGS (1-1)
00
01
01
02
04
04A
05
05
05A
06
07
07
07
07A
07A
07A
08
08
08A
08A
18
18
19
20
21
21
21
21
22
22
24
26
27
28
29
30
37
37
37
40
40
41
41
43
43A
44
44
44A
45
| Позиция на иллюстрации | Заводской номер детали | Название детали | |
|---|---|---|---|
| 00 | 4***1 | VALVE, SOLENOID | |
| 01 | J***0 | BOLT, SEMS | |
| 01 | J***0 | BOLT | |
| 02 | А***0 | WASHER, SPRING | |
| 04 | 4***1 | ELBOW, S | |
| 04A | 4***8 | O-RING | |
| 05 | 4***2 | ELBOW | |
| 05 | 4***4 | ELBOW, S | |
| 05A | 4***8 | O-RING | |
| 06 | 4***8 | O-RING | |
| 07 | 4***5 | ADAPTER, S | |
| 07A | 9***6 | O-RING | |
| 08 | 4***0 | ELBOW, S | |
| 08A | 9***6 | O-RING | |
| 18 | 8***3 | PIPE | |
| 18 | 9***9 | PIPE | |
| 19 | 9***8 | PIPE | |
| 20 | 4***9 | CLAMP, PIPE | |
| 21 | J***0 | BOLT, SEMS | |
| 21 | J***0 | BOLT | |
| 22 | А***2 | WASHER, SPRING | |
| 24 | 4***5 | CLAMP, PIPE | |
| 26 | 4***4 | CYL. | |
| 27 | 4***6 | HOSE | |
| 28 | 4***7 | HOSE | |
| 29 | 4***0 | HOSE | |
| 30 | 4***1 | HOSE, NYLON | |
| 37 | 4***1 | SWITCH, PRES. | |
| 37 | 4***3 | SWITCH, PRES. | |
| 40 | 4***2 | CLIP, BAND | |
| 41 | 4***7 | BOOT | |
| 43 | 4***9 | ADAPTER, S | |
| 43A | 4***8 | O-RING | |
| 44 | 4***0 | ADAPTER | |
| 44 | 4***1 | ADAPTER, S | |
| 44A | 4***8 | O-RING | |
| 45 | 4***8 | O-RING |
Содержащиеся в справочниках-каталогах запасные части и детали не предлагаются к продаже, а носят исключительно информационный характер. В демо-версии артикулы (номера деталей) скрыты. Если вы хотите видеть полные оригинальные номера запчастей, вам необходимо зарегистрироваться на нашем сайте и приобрести подписку по интересующей вас конфигурации, после этого вы сможете встроить онлайн-каталоги на ваш сайт или пользоваться ими из личного кабинета нашего сайта. Обращаем ваше внимание на то, что каталоги содержат информацию об оригинальных заводских номерах и названиях запчастей. База по аналогам в данный момент не реализована. Поиска по VIN-номерам в онлайн-каталоге не предусмотрено. Выбор конкретного каталога осуществляется путем открытия нужного типа техники, марки, модели с учетом года выпуска или модификации.