Каталог запасных частей к технике: Hitachi Компоненты EX-100-2 (2000). PUMP, SINGLE (1/2) 30001-
88
88
75
75
76
77
77
78
78
79
79
79
85
957366
957366
86
4509180
87
74
957366
89
89
90
91
92
92
92
93
94
95
97
98
65
1
9
10
12
22
4509180
23
24
38
38
38
38
9101530
957366
67
67
67
4150302
68
68
70
71
71
73
73
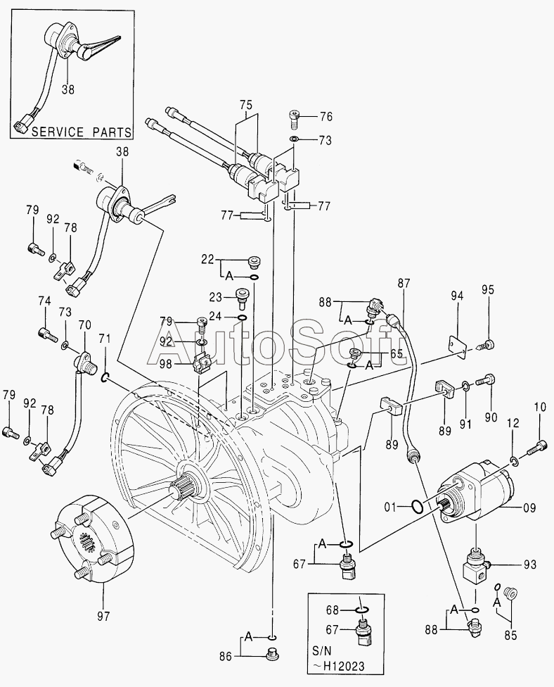
| Позиция на иллюстрации | Заводской номер детали | Название детали | |
|---|---|---|---|
| 4150302 | 4***2 | O-RING | |
| 4509180 | 4***0 | O-RING | |
| 4509180 | 4***0 | O-RING | |
| 9101530 | 9***0 | PUMP, SINGLE | |
| 957366 | 9***6 | O-RING | |
| 957366 | 9***6 | O-RING | |
| 957366 | 9***6 | O-RING | |
| 1 | 4***5 | O-RING | |
| 9 | 4***3 | PUMP, GEAR | |
| 10 | M***0 | BOLT, SOCKET | |
| 12 | A***0 | WASHER, PLANE | |
| 22 | 9***6 | PLUG | |
| 23 | 4***5 | PLUG | |
| 24 | 9***6 | O-RING | |
| 38 | S***R | SENSOR, ANGLE | |
| 38 | S***R | SENSOR, ANGLE | |
| 65 | 9***5 | PLUG | |
| 67 | 4***3 | SENSOR, PRES. | |
| 67 | 4***4 | SENSOR, PRES. | |
| 68 | 4***2 | O-RING | |
| 68 | 4***6 | O-RING | |
| 70 | 4***2 | SENSOR, REVOL. | |
| 71 | 4***5 | O-RING | |
| 71 | 4***8 | O-RING | |
| 73 | A***6 | WASHER | |
| 74 | M***6 | BOLT, SOCKET | |
| 75 | 9***0 | VALVE, SOLENOID | |
| 75 | 9***2 | VALVE, SOLENOID | |
| 76 | M***5 | BOLT, SOCKET | |
| 77 | 9***3 | O-RING | |
| 78 | 4***7 | BRACKET | |
| 79 | M***3 | BOLT, SOCKET | |
| 85 | 9***5 | PLUG | |
| 86 | 9***6 | PLUG | |
| 87 | 3***9 | PIPE | |
| 88 | 4***7 | FITTING, PIPE | |
| 89 | 9***5 | CLAMP | |
| 90 | J***0 | BOLT | |
| 91 | А***8 | WASHER, SPRING | |
| 92 | 4***6 | WASHER, SPRING | |
| 93 | 4***7 | ADAPTER | |
| 94 | 3***0 | NAME-PLATE | |
| 95 | М***4 | SCREW, DRIVE | |
| 97 | 4***5 | COUPLING, RUBBER | |
| 98 | 4***9 | CLAMP |
Содержащиеся в справочниках-каталогах запасные части и детали не предлагаются к продаже, а носят исключительно информационный характер. В демо-версии артикулы (номера деталей) скрыты. Если вы хотите видеть полные оригинальные номера запчастей, вам необходимо зарегистрироваться на нашем сайте и приобрести подписку по интересующей вас конфигурации, после этого вы сможете встроить онлайн-каталоги на ваш сайт или пользоваться ими из личного кабинета нашего сайта. Обращаем ваше внимание на то, что каталоги содержат информацию об оригинальных заводских номерах и названиях запчастей. База по аналогам в данный момент не реализована. Поиска по VIN-номерам в онлайн-каталоге не предусмотрено. Выбор конкретного каталога осуществляется путем открытия нужного типа техники, марки, модели с учетом года выпуска или модификации.