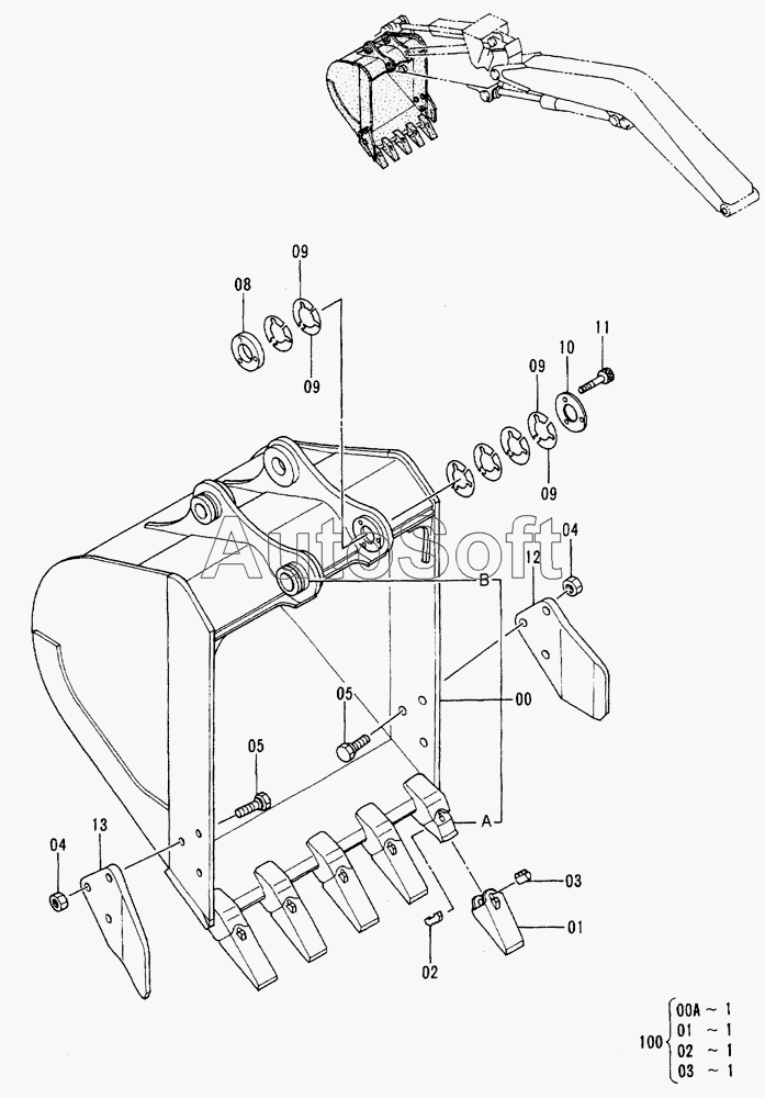
Каталог запасных частей к технике: Hitachi EX-60-2 (2000). Bucket 0.3 (Short Reach)
9124208
9124722
4135495
4135495
4197029
1
1
2
2
3
3
4
4
5
5
8
9
9
9
9
10
11
12
13
100
| Позиция на иллюстрации | Заводской номер детали | Название детали | |
|---|---|---|---|
| 4135495 | 4***5 | ADAPTER, TOOTH | |
| 4197029 | 4***9 | STOPPER | |
| 9124208 | 9***8 | BUCKET ASS’Y | |
| 9124722 | 9***2 | BUCKET | |
| 1 | 4***6 | POINT, TOOTH | |
| 2 | 4***7 | PIN, LOCK | |
| 3 | 4***8 | RUBBER, LOCK | |
| 4 | J***0 | NUT | |
| 5 | 4***4 | BOLT | |
| 8 | 4***7 | BOSS | |
| 9 | 4***9 | SHIM 1.0 | |
| 10 | 4***8 | PLATE | |
| 11 | M***0 | BOLT, SOCKET | |
| 12 | 3***5 | CUTTER, SIDE | |
| 13 | 3***6 | CUTTER, SIDE | |
| 100 | 9***9 | KIT, POINT |
Содержащиеся в справочниках-каталогах запасные части и детали не предлагаются к продаже, а носят исключительно информационный характер. В демо-версии артикулы (номера деталей) скрыты. Если вы хотите видеть полные оригинальные номера запчастей, вам необходимо зарегистрироваться на нашем сайте и приобрести подписку по интересующей вас конфигурации, после этого вы сможете встроить онлайн-каталоги на ваш сайт или пользоваться ими из личного кабинета нашего сайта. Обращаем ваше внимание на то, что каталоги содержат информацию об оригинальных заводских номерах и названиях запчастей. База по аналогам в данный момент не реализована. Поиска по VIN-номерам в онлайн-каталоге не предусмотрено. Выбор конкретного каталога осуществляется путем открытия нужного типа техники, марки, модели с учетом года выпуска или модификации.