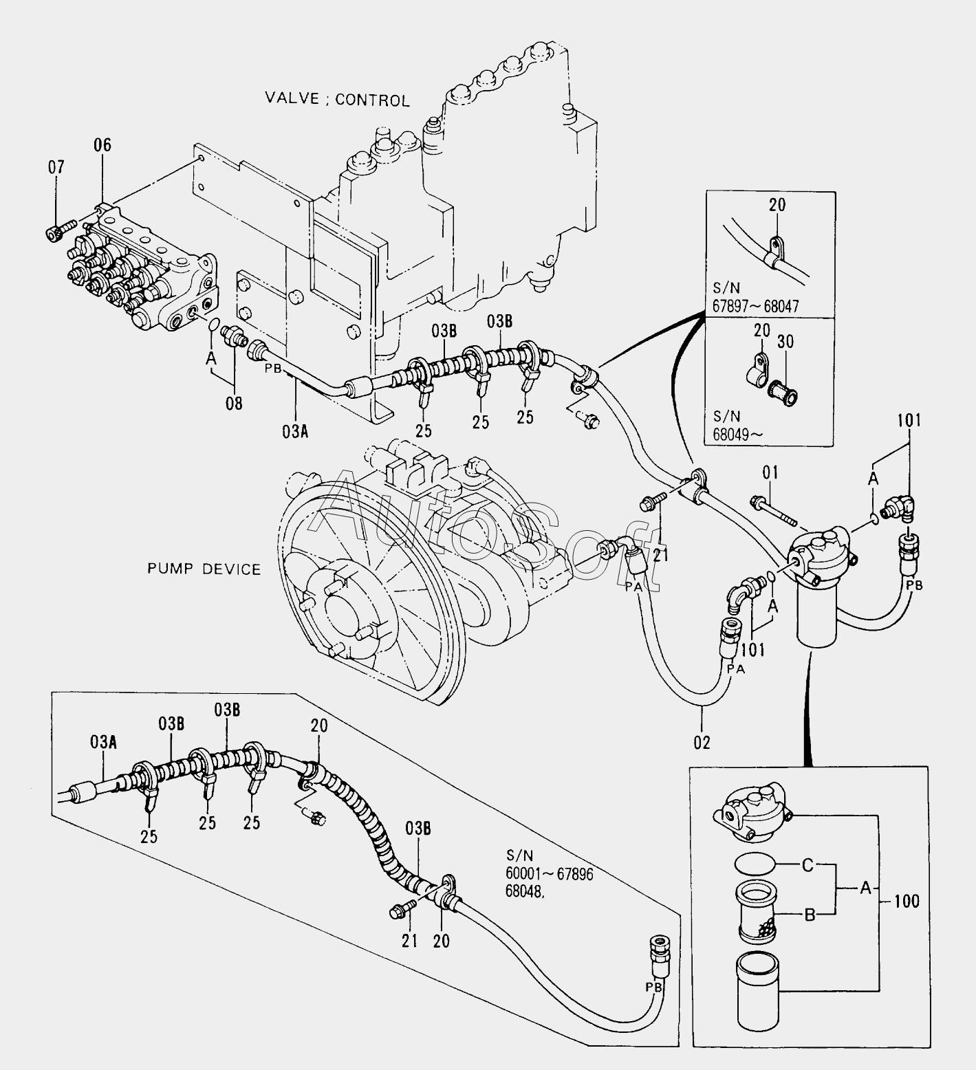
Каталог запасных частей к технике: Hitachi EX-200-2 (2008). PILOT PIPINGS (1-1) 60001-
01
02
03A
03A
03B
03B
03B
03B
03B
03B
06
06
06
07
08
08A
20
20
20
20
20
20
20
20
21
21
25
25
25
25
25
25
30
100
100A
100B
100C
101
101
101A
101A
| Позиция на иллюстрации | Заводской номер детали | Название детали | |
|---|---|---|---|
| 01 | J***0 | BOLT, SEMS | |
| 02 | 4***4 | HOSE | |
| 03A | 4***5 | HOSE | |
| 03B | 4***0 | PROTECTOR | |
| 03B | 4***0 | PROTECTOR | |
| 06 | 4***7 | VALVE, SOL. | |
| 06 | 4***9 | VALVE, SOL. | |
| 07 | М***5 | BOLT, SOCKET | |
| 08 | 4***1 | ADAPTER, S | |
| 08A | 4***8 | O-RING | |
| 100 | 4***0 | FILTER, OIL | |
| 100A | 4***1 | ELEMENT, OIL | |
| 100B | 4***1 | ELEMENT, FILTER | |
| 100C | А***5 | O-RING | |
| 101 | 4***2 | ELBOW | |
| 101A | 4***8 | O-RING | |
| 20 | 4***2 | CLIP | |
| 20 | 4***3 | CLIP | |
| 20 | 4***7 | CLIP | |
| 21 | J***0 | BOLT, SEMS | |
| 25 | 4***2 | CLIP, BAND | |
| 30 | 4***6 | BUSHING, RUBBER |
Содержащиеся в справочниках-каталогах запасные части и детали не предлагаются к продаже, а носят исключительно информационный характер. В демо-версии артикулы (номера деталей) скрыты. Если вы хотите видеть полные оригинальные номера запчастей, вам необходимо зарегистрироваться на нашем сайте и приобрести подписку по интересующей вас конфигурации, после этого вы сможете встроить онлайн-каталоги на ваш сайт или пользоваться ими из личного кабинета нашего сайта. Обращаем ваше внимание на то, что каталоги содержат информацию об оригинальных заводских номерах и названиях запчастей. База по аналогам в данный момент не реализована. Поиска по VIN-номерам в онлайн-каталоге не предусмотрено. Выбор конкретного каталога осуществляется путем открытия нужного типа техники, марки, модели с учетом года выпуска или модификации.