Каталог запасных частей к технике: Hitachi EX-220-2 (2008). ENGINE
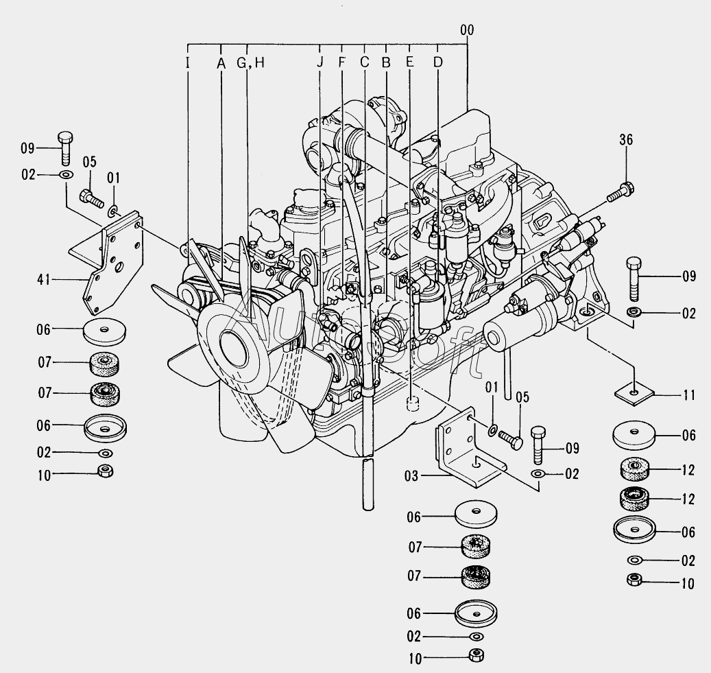
00
00
00
00A
00B
00C
00D
00E
00F
00G
00H
00I
00I
00I
00J
01
01
02
02
02
02
02
02
03
05
05
06
06
06
06
06
06
07
07
07
07
09
09
09
10
10
10
11
12
12
36
41
| Позиция на иллюстрации | Заводской номер детали | Название детали | |
|---|---|---|---|
| 00 | 4***0 | ENGINE | |
| 00 | 4***9 | ENGINE | |
| 00A | 4***8 | BELT, FAN | |
| 00B | 4***3 | FILTER, OIL | |
| 00C | 4***4 | FILTER, OIL | |
| 00D | 4***0 | FILTER, FUEL | |
| 00E | 4***6 | SWITCH, LEVEL | |
| 00F | 4***5 | SWITCH, PRES. | |
| 00G | 4***7 | SWITCH, THERMO | |
| 00H | 4***0 | WASHER | |
| 00I | 4***8 | ALTERNATOR | |
| 00I | 4***4 | ALTERNATOR | |
| 00J | 4***9 | COCK | |
| 01 | J***2 | WASHER | |
| 02 | J***8 | WASHER | |
| 03 | 8***4 | BRACKET | |
| 05 | 4***1 | BOLT | |
| 06 | 4***8 | STOPPER | |
| 07 | 4***3 | RUBBER | |
| 09 | J***6 | BOLT | |
| 10 | J***8 | NUT | |
| 11 | 4***7 | PLATE | |
| 12 | 4***4 | RUВВЕR R | |
| 36 | J***5 | BOLT, SEMS | |
| 41 | 7***0 | BRACKET |
Содержащиеся в справочниках-каталогах запасные части и детали не предлагаются к продаже, а носят исключительно информационный характер. В демо-версии артикулы (номера деталей) скрыты. Если вы хотите видеть полные оригинальные номера запчастей, вам необходимо зарегистрироваться на нашем сайте и приобрести подписку по интересующей вас конфигурации, после этого вы сможете встроить онлайн-каталоги на ваш сайт или пользоваться ими из личного кабинета нашего сайта. Обращаем ваше внимание на то, что каталоги содержат информацию об оригинальных заводских номерах и названиях запчастей. База по аналогам в данный момент не реализована. Поиска по VIN-номерам в онлайн-каталоге не предусмотрено. Выбор конкретного каталога осуществляется путем открытия нужного типа техники, марки, модели с учетом года выпуска или модификации.