Каталог запасных частей к технике: Hitachi EX-60-3 (2008). ELECTRIC PARTS
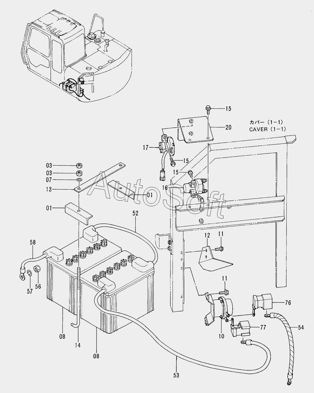
16
77
76
58
57
56
54
53
52
20
17
1
1
15
15
15
14
13
12
11
11
10
8
8
7
3
3
| Позиция на иллюстрации | Заводской номер детали | Название детали | |
|---|---|---|---|
| 1 | 4***5 | SUPPORT | |
| 3 | J***0 | NUT | |
| 7 | A***0 | WASHER, PLANE | |
| 8 | 4***9 | BATTERY | |
| 10 | 4***5 | RELAY BATTERY | |
| 11 | J***0 | BOLT, SEMS | |
| 12 | 4***3 | COVER | |
| 13 | 4***0 | STAY | |
| 14 | 4***7 | BOLT | |
| 15 | J***4 | BOLT, SEMS | |
| 16 | 4***9 | RELAY, HEATER | |
| 17 | 4***6 | RELAY SAFETY | |
| 20 | 9***4 | COVER | |
| 52 | 4***8 | HARNESS, WIRE | |
| 53 | 4***2 | HARNESS WIRE | |
| 54 | 4***1 | HARNESS WIRE | |
| 56 | J***0 | NUT | |
| 57 | A***0 | WASHER, SPRING | |
| 58 | 4***5 | HARNESS WIRE | |
| 76 | 4***5 | FUSIBLE-LINK | |
| 77 | 4***0 | FUSIBLE-LINK (60A) |
Содержащиеся в справочниках-каталогах запасные части и детали не предлагаются к продаже, а носят исключительно информационный характер. В демо-версии артикулы (номера деталей) скрыты. Если вы хотите видеть полные оригинальные номера запчастей, вам необходимо зарегистрироваться на нашем сайте и приобрести подписку по интересующей вас конфигурации, после этого вы сможете встроить онлайн-каталоги на ваш сайт или пользоваться ими из личного кабинета нашего сайта. Обращаем ваше внимание на то, что каталоги содержат информацию об оригинальных заводских номерах и названиях запчастей. База по аналогам в данный момент не реализована. Поиска по VIN-номерам в онлайн-каталоге не предусмотрено. Выбор конкретного каталога осуществляется путем открытия нужного типа техники, марки, модели с учетом года выпуска или модификации.